| Автор |
Сообщение
|
Юрий Владимиров
Зарегистрирован: Чт 20 Ноябрь 2008, 10:23
Сообщения: 2
|
Добавлено:
Чт 20 Ноябрь 2008, 21:57
|
  |
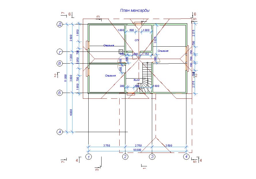
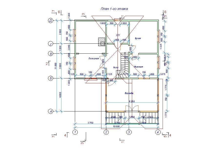
Строю дом 7 на 10 в Тверской обл. примерно 56°26′ с. ш.
Материал стен брус 150. дом сезонный для трех детей и мамы. потом буду утеплять и всячески улучшать. С подключением Эл Мощностью проблема. ее нет.
в качестве источника тепла на весну и осень и для эстетики нужна печь.
Склоняюсь к ОВИК БК 12 или ОВИК БК 1 или ОВИК Бк 7.
Возможно, ли сделать на ней печь для мансарды?
Какой нужен по размеру и конструкции фундамент?
Обязательно ли приглашать Вашего партнера или вы сможете порекомендовать кого-либо в Твери.
|
| Описание: |
|
| Размер файла: |
45.66 КБ |
| Просмотров: |
781 раз(а) |

|
| Описание: |
|
| Размер файла: |
59.77 КБ |
| Просмотров: |
1042 раз(а) |

|
| Описание: |
|
| Размер файла: |
68.22 КБ |
| Просмотров: |
1065 раз(а) |

|
|
|
  |
 |
Андрей Ищенко
Проектировщик
Зарегистрирован: Вт 7 Февраль 2006, 10:08
Сообщения: 2946
Регион: Пенза
|
Добавлено:
Пт 21 Ноябрь 2008, 15:28
|
  |
|
     |
 |
Юрий Владимиров
Зарегистрирован: Чт 20 Ноябрь 2008, 10:23
Сообщения: 2
|
Добавлено:
Пт 21 Ноябрь 2008, 18:24
|
  |
Спасибо за ответ.
Дудников Александр Леонидович
Голубев Юрий Иванович
К сожалению их контактов не увидел.
|
|
|
|
  |
 |
Андрей Ищенко
Проектировщик
Зарегистрирован: Вт 7 Февраль 2006, 10:08
Сообщения: 2946
Регион: Пенза
|
Добавлено:
Сб 22 Ноябрь 2008, 02:28
|
  |
У них проблемы с интернетом (временные), скинте в лс номер телефона, они вам перезвонят.
|
|
|
|
     |
 |
Robber
Зарегистрирован: Вт 7 Июль 2009, 11:02
Сообщения: 68
|
Добавлено:
Вт 6 Октябрь 2009, 16:33
|
  |
| Юрий Владимиров писал(а): |
Строю дом 7 на 10 в Тверской обл. примерно 56°26′ с. ш.
Материал стен брус 150. дом сезонный для трех детей и мамы. потом буду утеплять и всячески улучшать. С подключением Эл Мощностью проблема. ее нет.
в качестве источника тепла на весну и осень и для эстетики нужна печь.
Склоняюсь к ОВИК БК 12 или ОВИК БК 1 или ОВИК Бк 7.
Возможно, ли сделать на ней печь для мансарды?
Какой нужен по размеру и конструкции фундамент?
Обязательно ли приглашать Вашего партнера или вы сможете порекомендовать кого-либо в Твери. |
Юрий, можете показать, что у Вас по итогу получилось?
|
|
|
|
   |
 |
pe4ka
Зарегистрирован: Ср 23 Сентябрь 2009, 17:36
Сообщения: 1918
Регион: Туймазы
|
Добавлено:
Вт 6 Октябрь 2009, 18:08
|
  |
сообщите капитальные стены какие если их еще нет то хорошо под печи и камины надо фундаменты залить, можно печи 2хэтажные сделать.самый хороший вариант стройте печи камины,а потом все остальное.дымоход ложите в капитальной кирпичной стене.английский камин отличная штука
|
_________________ окажу консультации по кладке печей каминов и их ремонту д51055 код8-34782 сот 8-9173752622 г.Туймазы башкирия
|
|
   |
 |
-Andrey-

Зарегистрирован: Ср 17 Июнь 2009, 16:11
Сообщения: 153
Регион: Москва
|
Добавлено:
Ср 7 Октябрь 2009, 08:29
|
  |
| Цитата: |
| Добавлено: Чт 20 Ноябрь 2008, 22:57 |
|
|
|
|
   |
 |
Павел_П

Зарегистрирован: Чт 6 Август 2009, 09:12
Сообщения: 423
Регион: Москва
|
Добавлено:
Ср 7 Октябрь 2009, 19:33
|
  |
| -Andrey- писал(а): |
| Цитата: |
| Добавлено: Чт 20 Ноябрь 2008, 22:57 |
 |
pe4ka купился на сообщение от Роббера )))
а тот решил, что заказчик после постройки печи сюда и заходит и заходит и заходит ... )))
|
_________________ щи да каша - пища наша
|
|
   |
 |
Robber
Зарегистрирован: Вт 7 Июль 2009, 11:02
Сообщения: 68
|
Добавлено:
Чт 8 Октябрь 2009, 09:29
|
  |
Думаю, что ему сообщение должно на мыло прийти. И если у человека остались эмоции от сделанного, то должен ответить.
Сам собираюсь в скором времени строится (с помощью консультаций с сайта ) и мне очень интересны отзывы тех, кто задавал здесь вопросы, консультировался и по итогу, что-то для себя "сваял", может на данный момент хотел бы изменить.
Вообще от сайта, работы людей, их терпения у меня только положительные эмоции.
Молодцы!!!
|
|
|
|
   |
 |
|
|