 |
|
 |
| Автор |
Сообщение
|
riselost
Зарегистрирован: Чт 25 Февраль 2010, 15:17
Сообщения: 24
Регион: Киев
|
Добавлено:
Чт 25 Февраль 2010, 15:26
|
  |
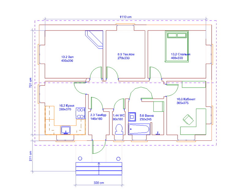
Всем привет.
Нарисовал планировку дома, и пытаюсь придумать, как отапливать дом. В техническом помещении когда то планировал поставить ТТ котел STROPUVA, развести батареи по комнатам с естественной циркуляцией, в кухне поставить варочную печь чугунную для готовки, а в зеле камин угловой, может быть совмещенный с печью кузнецова. Такое бывает в природе?
А может я в самой концепции ошибаюсь? Хочется конечно и ГВС, планирую как нибудь поставить колнечный коллектор, а подогрев другой планирую как то через ТТ тоже. Может камин с водяной обвязкой поставить?
Кто что бы посоветовал в отоплении и ГВС такого дома? Может быть что-то нужно переиграть, пересмотреть?
|
| Описание: |
|
| Размер файла: |
97.35 КБ |
| Просмотров: |
1276 раз(а) |

|
|
|
  |
 |
Геннадий Москва

Зарегистрирован: Пт 2 Март 2007, 23:14
Сообщения: 479
Регион: Зеленоград
|
Добавлено:
Вт 2 Март 2010, 11:52
|
  |
На мой взгляд отопить надо с использованием тт котла и системы барарей с теплоаккумулятором. Тем более, что у вас есть техническое помещение и оно не маленькое. Выбор котла, заводской или кирпичный системы кузнецова оставляю на ваш выбор. Плюсы есть и там и там, так же и минусы. Читайте изучайте. Успехов вам в этом нелегком деле - Выбор котла.
|
|
|
|
    |
 |
riselost
Зарегистрирован: Чт 25 Февраль 2010, 15:17
Сообщения: 24
Регион: Киев
|
Добавлено:
Вт 2 Март 2010, 13:15
|
  |
Геннадий Москва А на Ваш взгляд, что бы себе в таком случае ставили? И хочется и колется, и лучевого тепла хочется, и конвективное - удобное... Видел ТТ котлы Stropuva длительного горения, горят заявляют 24 часа и не требуют ТА...
|
|
|
|
  |
 |
тов.Ёжиков
Зарегистрирован: Пн 1 Март 2010, 16:45
Сообщения: 61
Регион: ЕС
|
Добавлено:
Вт 2 Март 2010, 21:49
|
  |
Чугунные радиаторы дают лучистое тепло.
|
|
|
|
  |
 |
riselost
Зарегистрирован: Чт 25 Февраль 2010, 15:17
Сообщения: 24
Регион: Киев
|
Добавлено:
Вт 2 Март 2010, 22:52
|
  |
Вы считаете, что чугунные радиаторы дают лучистое тепло? Какой по вашему мнению процент?
Рекомендую к прочтению...(может видели) Лучистое тепло
Цитаты:
Советский чугунный радиатор не самый плохой отопительный прибор. Он надёжен, долговечен и неприхотлив, имеет низкое гидросопротивление и поэтому прекрасно ведет себя в любых системах отопления, в том числе с естественной циркуляцией теплоносителя. К тому же чугунный радиатор теплоинерционен - имеет большой объём теплоносителя (горячей воды в России никогда не жалели).
...
В понимании и представлении людей радиатор являет собой ребристый предмет. Ребристыми радиаторы делают, чтобы увеличить площадь их поверхности контактирующей с воздухом. Вы спросите, а как же лучевая составляющая? Ведь она тоже должна расти пропорционально росту площади поверхности тела. Все так, законы физики никто не отменял. Все ребра внутри радиатора успешно излучают тепловую энергию. В этом и заключается фокус конструкции - тёплые поверхности (рёбра радиатора) смотрят друг на друга! Одна поверхность облучает другую, следовательно, в результате переизлучений лучевое тепло из радиатора никуда не выходит! Ребра радиатора греют лучевым теплом сами себя. Внутри радиатора, соприкасаясь с поверхностью металла, нагревается только воздух. Получается, что конвекцией с небольшого по габаритам радиатора можно сдуть тепла в 2-4 раза больше, чем забрать тепловым излучением.
|
|
|
|
  |
 |
Геннадий Москва

Зарегистрирован: Пт 2 Март 2007, 23:14
Сообщения: 479
Регион: Зеленоград
|
Добавлено:
Пт 5 Март 2010, 11:37
|
  |
Концепция. Котел чугунный промышленный простого горения (соответствие теплопотерям дома + нагрев Теплоаккумулятора), либо Кузнецовский (но под заказ получится раза в три дороже, но эфективнее). Теплоаккумулятор (либо промышленный либо заказной). Разводка трубами железными ( хотя и против пластика ничего не имею против) , Батареи обычные чугунные ( подбор с учетом теплопотерь). Все остальное (кол-во, длинна, мощьность) подлежит расчету.
Почитайте еще веточку http://www.forum.stovemaster.ru/viewtopic.php?t=3462&postdays=0&postorder=asc&&start=0
|
|
|
|
    |
 |
тов.Ёжиков
Зарегистрирован: Пн 1 Март 2010, 16:45
Сообщения: 61
Регион: ЕС
|
Добавлено:
Сб 6 Март 2010, 02:37
|
  |
| riselost писал(а): |
| Вы считаете, что чугунные радиаторы дают лучистое тепло? Какой по вашему мнению процент? |
Считаю, что дают, т. к. проходя мимо горячего радиатора, я ощущаю исходящее от него тепло. Кстати, батареи я покрасил в шоколадный цвет. На фоне светло-жёлтеньких стен выглядит убойно. Насчёт процента не заморачивался.
|
|
|
|
  |
 |
kalimusk
Зарегистрирован: Ср 27 Февраль 2008, 06:23
Сообщения: 65
Регион: Ижевск
|
Добавлено:
Сб 6 Март 2010, 16:01
|
  |
| riselost писал(а): |
| Вы считаете, что чугунные радиаторы дают лучистое тепло? Какой по вашему мнению процент? |
Лучистый теплообмен зависит от разности температур тел в ЧЕТВЕРТОЙ степени, а от направления- по закону COS угла от нормали.
|
|
|
|
   |
 |
vova230
Зарегистрирован: Ср 24 Март 2010, 00:20
Сообщения: 811
Регион: Беларусь
|
Добавлено:
Пт 26 Март 2010, 19:41
|
  |
Я бы выбрал систему водяного отопления на базе кирпичной печи Кузнецова с чугунными радиаторами. КПД радиатора можно повысить при помощи экрана (в литературе такое есть), но и открытая установка дает достаточно тепла. При вашей планировке дома я считаю это наилучшим вариантом.
Если использовать промышленный котел, то обязательно нужен аккумулятор тепла, иначе придется топить котел практически непрерывно.
|
|
|
|
   |
 |
riselost
Зарегистрирован: Чт 25 Февраль 2010, 15:17
Сообщения: 24
Регион: Киев
|
Добавлено:
Чт 15 Июль 2010, 09:30
|
  |
В итоге залили фундамент, решили ставить две печи кузнецова между залом и кухней и между спальней и небольшим кабинетом. ТТ котел, если в нем встанет необходимость позже...
Отсюда прошу вашего совета, какие печи поставить...
средняя стенка из кирпича будет, в один кирпич - 25 см.
Дом из соломенных блоков оштукатуренных, т.е. должен быть теплый, пол по грунту, отмостка и цоколь будут утеплены. Потолок 2.7. Утеплен целюлозным утеплителем.
Чердак холодный.
Посоветуйте пожалуйста модели печи, и к кому на Украине обращаться по этому поводу может?
|
|
|
|
  |
 |
Anton Sorokin
Зарегистрирован: Ср 26 Март 2008, 15:17
Сообщения: 752
|
Добавлено:
Чт 15 Июль 2010, 10:01
|
  |
А не будет ли слишком холодно в помещениях где есть окна, но нет печи?
|
|
|
|
  |
 |
riselost
Зарегистрирован: Чт 25 Февраль 2010, 15:17
Сообщения: 24
Регион: Киев
|
Добавлено:
Чт 15 Июль 2010, 10:14
|
  |
В тех помещении тепло сильно не нужно, там окошко 100 на 60. В ванной окно тоже 100 на 60, в туалете 60 на 60, в тамбуре получается нет окон.
Холодно там может быть, но в тех помещении и тамбуре это не критично. В ванной неприятно, но для этой цели думаю может ТТ котел поставить.
В общем совета вот и прошу, как сделать по умному, чтобы и все захватить и конвективное тепло...
Какие печи ставить, или печь и котел...
Думаю правильнее котел и печь, тогда вопрос какую печь поставить можно между залом и кухней. Хочется, чтобы в кухне была хлебная камера, а топилось из зала.
Или топиться из кухни, но чтобы в зале можно было хотя бы внутри огонь лицезреть, или нереально?
В сторону каких моделей смотреть?
| Anton Sorokin писал(а): |
| А не будет ли слишком холодно в помещениях где есть окна, но нет печи? |
|
|
|
|
  |
 |
|
|
|
Следующая тема
Предыдущая тема
Вы не можете начинать темы Вы не можете отвечать на сообщения Вы не можете редактировать свои сообщения Вы не можете удалять свои сообщения Вы не можете голосовать в опросах Вы не можете добавлять приложения в этом форуме Вы можете скачивать файлы в этом форуме
|
|