 |
|
 |
| Автор |
Сообщение
|
filip
Зарегистрирован: Пн 7 Май 2018, 21:49
Сообщения: 24
Регион: Украина, Черкассая обл.
|
Добавлено:
Пн 7 Май 2018, 22:46
|
  |
Здравствуйте уважаемые мастера!
На веранде находится печь в виде 3-канаьного отопительного щитка с варочной плитой, на крыше последняя часть дымохода, 1 метр, выполненная из асбестоцементной трубы с внутренним
диаметром 140мм, высота от колосника до верхней точки - 4 метра, фото прилагаю.
Как будет влиять такой дымоход на работу печи?
Нужно ли его переложить из кирпича, или так оставить?
Тяга нормальная, только немного дымит при растопке - но это мне не мешает, а вот расход дров большой (топлю только дровами) щиток нагревается весь, но долго, может ли влиять такой дымоход на долгий нагрев печи или искать другую причину?
|
| Описание: |
|
| Размер файла: |
313.27 КБ |
| Просмотров: |
714 раз(а) |

|
|
|
  |
 |
Шура

Зарегистрирован: Чт 8 Январь 2009, 20:09
Сообщения: 4171
Регион: Москва - Тамбов
|
Добавлено:
Вт 8 Май 2018, 13:44
|
  |
| filip писал(а): |
1. Как будет влиять такой дымоход на работу печи?
2. Нужно ли его переложить из кирпича, или так оставить?
3. щиток нагревается весь, но долго,
4. может ли влиять такой дымоход на долгий нагрев печи или искать другую причину? |
1. а как он сейчас влияет?
2. лучше переложить или загильзовать, а то асбестовые трубы, бывает что трескаются.
3. то что быстро нагревается, то и быстро остывает.
4. на долгий нагрев, при прочих равных, влияет прежде схема и конструктив печи(щитка).
|
|
|
|
   |
 |
filip
Зарегистрирован: Пн 7 Май 2018, 21:49
Сообщения: 24
Регион: Украина, Черкассая обл.
|
Добавлено:
Вт 8 Май 2018, 23:39
|
  |
Конденсат не течет, дым не черный как при неполном горении дров,
а вот щиток выложен под потолок, высота щитка - 1,3 метра, выше мастера сделать не могли - уперлись в потолок.
Просмотрел книгу печи и камины - там пишут что при малых размерах дымооборотов щитка мы будем греть улицу, я начинаю думать что так оно и есть в моем случае. Видно как жар идет из трубы когда нагреется топка, воздух преломляется над трубой, не знаю даже что можно сделать кроме перекладки печи.
|
|
|
|
  |
 |
Валер

Зарегистрирован: Вс 30 Март 2014, 09:18
Сообщения: 2363
Регион: Урал, Вишера
|
Добавлено:
Ср 9 Май 2018, 04:39
|
  |
задвижка под трубой есть? пробуйте прикрывать во время топки, до пока не начнёт поддымливать, чуток откройте и так топите. Трёхходовку конечно трудно нагреть равномерно.
|
_________________ Любитель-печеклад
|
|
  |
 |
Машков Владимир
Зарегистрирован: Пт 24 Июнь 2011, 20:25
Сообщения: 212
Регион: Москва
|
Добавлено:
Ср 9 Май 2018, 06:39
|
  |
| filip писал(а): |
| не знаю даже что можно сделать кроме перекладки печи. |
Можно и переложить, только не следуйте абсолютно глупой (и опасной) рекомендации от Валер.
|
|
|
|
   |
 |
Валер

Зарегистрирован: Вс 30 Март 2014, 09:18
Сообщения: 2363
Регион: Урал, Вишера
|
Добавлено:
Ср 9 Май 2018, 17:00
|
  |
| Машков Владимир писал(а): |
| filip писал(а): |
| не знаю даже что можно сделать кроме перекладки печи. |
Можно и переложить, только не следуйте абсолютно глупой (и опасной) рекомендации от Валер. |
словосочетание "Можно и переложить" предполагает знание альтернативного варианта. Озвучьте уж пжста
|
_________________ Любитель-печеклад
|
|
  |
 |
Алексей Решенин

Зарегистрирован: Пт 1 Апрель 2016, 19:12
Сообщения: 646
Регион: Moscow
|
Добавлено:
Ср 9 Май 2018, 18:36
|
  |
Если температура дыма на точке выброса в атмосферу с оголовка трубы укладывается в нормы не выше 200 градусов - то смело можно использовать Асбестно-цементные трубы- более того -они более долговечны- потому что не впитывают в себя влагу- которая
накапливается в порах кирпичных труб и при минусовых температурах -замерзая - ведет к их разрушению !
|
|
|
|
  |
 |
Александр Минеев

Зарегистрирован: Ср 22 Июль 2015, 19:04
Сообщения: 559
Регион: Москва
|
Добавлено:
Ср 9 Май 2018, 19:13
|
  |
" щиток греется долго" и "жар идёт из трубы" - так быть не может.
Если жар из трубы, то тот же жар и в щитке.
Думаю, что тяги не хватает в этой печке. Низковата труба относительно конька. Тяги не хватает, температура маленькая, щиток, скорее всего, засажен.
Почистите печь и попробуйте нарастить трубу какой-нибудь времянкой и посмотрите как пойдёт.
+ извините, но просто на всякий ), как надо топить печь:
1. Сразу всю закладку! - не добавлять по полешку.
2. Сверху - щепочки, розжиг сверху. Поддувало открыто.
3. Разгорелось - поддувало прикрыли, чтобы было на грани "гудит-не гудит". При этом, пусть лучше "гудит" чем "не гудит".
4. Остались угли - поворошите их кочергой - откройте поддувало - дожигайте угли на большом притоке воздуха опять. Тогда Вы получите большую температуру практически по всему времени топки и сожжёте дрова до золы и печка засаживаться не будет. + ( бесплатно) отсутствие проблем с угарным газом и закрытием задвижки на ночь - Вы все угли дожгли! - см фото дожига углей на колоснике
|
_________________ Печки - дело разговорное!)))
| Описание: |
|
| Размер файла: |
27.84 КБ |
| Просмотров: |
718 раз(а) |

|
|
|
  |
 |
Furby

Зарегистрирован: Пт 8 Май 2015, 15:33
Сообщения: 417
Регион: Биробиджан
|
Добавлено:
Ср 9 Май 2018, 19:34
|
  |
| Алексей Решенин писал(а): |
Если температура дыма на точке выброса в атмосферу с оголовка трубы укладывается в нормы не выше 200 градусов - то смело можно использовать Асбестно-цементные трубы- более того -они более долговечны- потому что не впитывают в себя влагу- которая
накапливается в порах кирпичных труб и при минусовых температурах -замерзая - ведет к их разрушению ! |
А возгорание сажи через 20 лет уже нестрашно? (я без иронии).
|
|
|
|
  |
 |
Андрей_Алексеевич

Зарегистрирован: Пн 13 Декабрь 2010, 19:17
Сообщения: 5990
Регион: малая родина Павлова, Скобелева, Циолковского, Уткиных и др.
|
Добавлено:
Ср 9 Май 2018, 20:36
|
  |
А кто-то из заказчиков вспоминает про необходимость очистки дымоходов и труб?
|
_________________ Печник - милостью и промыслом Божиим.
Печное отопление частного дома и т.п., авторское сопровождение проектов, наставничество в т.ч. дистанционное, партнёрство в кладке печей.
89106130763 МТС
andrejka61@mail.ru
andrej.kuzmischev@yandex.ru
|
|
   |
 |
filip
Зарегистрирован: Пн 7 Май 2018, 21:49
Сообщения: 24
Регион: Украина, Черкассая обл.
|
Добавлено:
Ср 9 Май 2018, 22:15
|
  |
| Валер писал(а): |
| задвижка под трубой есть? пробуйте прикрывать во время топки, до пока не начнёт поддымливать, чуток откройте и так топите. Трёхходовку конечно трудно нагреть равномерно. |
Я так уже делал - решил однажды немного "поиграть" с задвижкой, часа 2 провел у плиты подбрасывал дрова и выставлял задвижку чтобы только еле тянуло, и после этого начала сильно болеть голова, надышался СО2, желание экономить дрова таким способом пропало.
А труба 2 зимы так стоит и ничего, (я сам ее туда ставил, до этого была металлическая квадратная, но прогорела) если треснет - поменяю
Высота потолка 2,4 м, какой щиток туда нужен, 5 канальный?
сейчас мой щиток разделяет кухню и ванную
|
|
|
|
  |
 |
Валер

Зарегистрирован: Вс 30 Март 2014, 09:18
Сообщения: 2363
Регион: Урал, Вишера
|
Добавлено:
Чт 10 Май 2018, 03:35
|
  |
проверьте температуру отходящих, лучину в задвижку, если до черноты обуглилась. то и правда горячо. У вас горизонтальные каналы, щит на ребро?
|
_________________ Любитель-печеклад
|
|
  |
 |
Валер

Зарегистрирован: Вс 30 Март 2014, 09:18
Сообщения: 2363
Регион: Урал, Вишера
|
Добавлено:
Чт 10 Май 2018, 07:11
|
  |
высота трубы должна примерно равна или больше длине дымоходов, прикиньте
|
_________________ Любитель-печеклад
|
|
  |
 |
Валер

Зарегистрирован: Вс 30 Март 2014, 09:18
Сообщения: 2363
Регион: Урал, Вишера
|
Добавлено:
Чт 10 Май 2018, 07:13
|
  |
| Александр Минеев писал(а): |
щиток, скорее всего, засажен.
Почистите печь |
с этого и начните
|
_________________ Любитель-печеклад
|
|
  |
 |
filip
Зарегистрирован: Пн 7 Май 2018, 21:49
Сообщения: 24
Регион: Украина, Черкассая обл.
|
Добавлено:
Чт 10 Май 2018, 22:04
|
  |
| Александр Минеев писал(а): |
Думаю, что тяги не хватает в этой печке. Низковата труба относительно конька. Тяги не хватает, температура маленькая, щиток, скорее всего, засажен.
Почистите печь и попробуйте нарастить трубу какой-нибудь времянкой и посмотрите как пойдёт. |
спасибо за совет, буду пробовать, а сколько трубы добавить, 1 метр хватит, или выше конька крыши?
и еще вопрос, в топливнике с одной стороны выкрошились кирпичи вынуть их остатки чтобы положить новые боюсь, так как на эту стену опирается весь щиток, можно мне рядом с остатками старых кирпичей выложить огнеупорные кирпичи укладывая их на ребро, что бы восстановить ширину топливника, как было?
|
|
|
|
  |
 |
Александр Минеев

Зарегистрирован: Ср 22 Июль 2015, 19:04
Сообщения: 559
Регион: Москва
|
Добавлено:
Пт 11 Май 2018, 09:39
|
  |
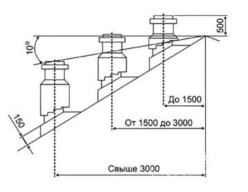
| filip писал(а): |
а сколько трубы добавить, 1 метр хватит, или выше конька крыши?
|
расположение на крыше см рис - это для того, чтобы ослабить влияние ветра на тягу.
Что касается замены кирпичей , то здесь есть гораздо более квалифицированные люди в области ремонта шведок - пусть они скажут, а я послушаю... заодно.
|
_________________ Печки - дело разговорное!)))
| Описание: |
|
| Размер файла: |
12.72 КБ |
| Просмотров: |
703 раз(а) |

|
|
|
  |
 |
Валер

Зарегистрирован: Вс 30 Март 2014, 09:18
Сообщения: 2363
Регион: Урал, Вишера
|
Добавлено:
Пт 11 Май 2018, 09:56
|
  |
в том регионе обычно щит на ребро и топка приставная, как у тс хз
|
_________________ Любитель-печеклад
|
|
  |
 |
filip
Зарегистрирован: Пн 7 Май 2018, 21:49
Сообщения: 24
Регион: Украина, Черкассая обл.
|
Добавлено:
Сб 12 Май 2018, 19:06
|
  |
| Валер писал(а): |
| в том регионе обычно щит на ребро и топка приставная, как у тс хз |
Да у нас у всех щит в кирпич на ребро, а топка бывает сбоку, бывает под щитком, как у меня, вот фото, размеры топливника: высота 350мм, ширина - 300 мм, длинна - под всем щитком, почему у нас в регионе делают топливник такой высоты? в интернете 800 - 1000 для дров.
Что скажите про высоту щитка - 1,3 м, не мало?
|
| Описание: |
|
| Размер файла: |
73.06 КБ |
| Просмотров: |
836 раз(а) |

|
|
|
  |
 |
|
|
|
Следующая тема
Предыдущая тема
Вы не можете начинать темы Вы не можете отвечать на сообщения Вы не можете редактировать свои сообщения Вы не можете удалять свои сообщения Вы не можете голосовать в опросах Вы не можете добавлять приложения в этом форуме Вы можете скачивать файлы в этом форуме
|
|