 |
|
 |
| Автор |
Сообщение
|
Олег Задорожный
Зарегистрирован: Вт 1 Июль 2008, 16:34
Сообщения: 9
Регион: Украина, Киев
|
Добавлено:
Пн 7 Июль 2008, 14:06
|
  |
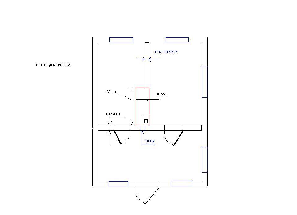
Уважаемые мастера!
Прошу вашего совета.
Имеется отопительная печь в дачном доме. Дом 6х8, 3 комнаты.
Печь пришла в негодность (ну купили такой дом) и не прогревается одна комната в силу конструкции печи (рис. прилагается). Размеры приблизительные +- 2 см. (я так думаю). Высота печи ~230 см.
Печь с вертикальми каналами, топка длинная, вернее топка переходит в горизонтальный канал, а потом идет подъем вверх.
Дом пока для временного проживания (весна -осень), но в перспективе планируется более частое проживание.
Подскажите, что можно сделать на фундаменте печи, чтобы прогревать все комнаты.
Исходя из имеющихся размеров предполагал отопительно - варочную печь.
Что можете подсказать в данном случае? Может что-то с камином получится?
С ув.
Олег.
|
| Описание: |
|
| Размер файла: |
28.86 КБ |
| Просмотров: |
1490 раз(а) |

|
|
|
  |
 |
IgorUA

Зарегистрирован: Ср 13 Июнь 2007, 19:11
Сообщения: 1101
Регион: Киев, Украина
|
Добавлено:
Вт 8 Июль 2008, 11:45
|
  |
Ширина не 45, а 51 см должна быть. Камин в эту площадь впихивать нецелесообразно. Нужно сделать колпаковую (желательно двухъярусную) отопительную печь (щиток). Возможно сделать печь с чугунным настилом-плитой по принципу печи «шведки», но с колпаком внутри, а не с дымооборотами.
В том месте, где находится топочная дверца, нужно сделать топку и колпак с собственной задвижкой в верхней части. Ширина этой части пристройки должна быть такой, чтобы она помещалась между дверными проёмами. Задвижка нужна, чтобы при растопке запустить тягу в трубе дымохода. После этого задвижка закрывается, и дым пойдет в основную часть печи в её колпаки (или один колпак). В пристройке можно поставить довольно большую дверцу со стеклом (1 или 2 стекла). Большая дверца со стеклом (1 или 2 створки) даст эффект камина. В этом случае будут прогреваться все комнаты. Под пристройку нужно сделать надёжный фундамент. Глубина пристройки может быть 75-100 см (наружный размер), чтобы свободно помещались поленья длиной 50 см вдоль топки. Если предполагается поставить чугунную плиту-настил в основную часть печи, то топка пристройки должна находиться на продольной оси топки основной части печи, чтобы можно было кочергой под плиту подвинуть горящие дрова и угли из топки пристройки.
|
_________________ С уважением, Игорь Сергеевич
Из Украины
P.S. Всё сказанное — IMHO (In My Humble Opinion; «по моему скромному мнению»), если не оговорено иное.
|
|
  |
 |
Олег Задорожный
Зарегистрирован: Вт 1 Июль 2008, 16:34
Сообщения: 9
Регион: Украина, Киев
|
Добавлено:
Вт 8 Июль 2008, 16:51
|
  |
Спасибо, уважаемый Игорь Сергеевич!
Ширина печи таки 51 (это я не учел еще 1 кирпич).
Если я правильно понял Вашу идею - в комнате достраивается к основной печи варичная плита (если говорить грубо) и я так понял, надо будет ставить 2 задвижки типа летнего и зимнего хода, так?
Буду Вам очень признателен, если у Вас есть схематическое изображение такой печи или может быть порядовка.
Если можно - ткните пальцем, где посмотреть.
С ув.
Олег
|
|
|
|
  |
 |
IgorUA

Зарегистрирован: Ср 13 Июнь 2007, 19:11
Сообщения: 1101
Регион: Киев, Украина
|
Добавлено:
Ср 9 Июль 2008, 02:19
|
  |
Да, в неотапливаемой комнате на собственном фундаменте строится пристройка к печи. Эта пристройка может содержать чугунный настил-плиту, тогда она превращается в варочную печь. Плиту-настил можно разместить в основной (уже имеющейся) части печи, так как эту печь нужно всё равно переделывать, чтобы убрать в ней дымообототы и сделать колпак (1 или 2 по высоте).
Задвижка в колпаке пристройки нужна для запуска тяги в дымоходе, хотя обычно тяга есть всегда. Эту же задвижку можно использовать для летнего режима топки пристройки, чтобы горячий дым не шёл в основную часть печи. Если в пристройке будет плита-настил, то эта задвижка будет удобна для летнего режима топки.
Задвижка в пристройке должна находиться выше задвижки в основной части печи, что обеспечит полное отключение основной части печи при летней топке. Эта задвижка в пристройке отделяет дымоход от колпака пристройки, но не перекрывает сам дымоход. Дымоход перекрывает (во всяком случает так должно быть) задвижка в основной части печи. После топки в зимнем режиме обе задвижки должны быть закрыты, чтобы сохранить накопленное печью тепло. При топке в зимнем режиме задвижка в пристройке должна быть закрыта, а в основной части печи открыта. При топке в летнем режиме в основной части печи задвижка закрыта, а в пристройке открыта.
Нужно при перестройке основной части печи (удалении из неё дымооборотов и создания колпака или колпаков) сделать так, чтобы дым в неё из пристройки шёл на как можно меньшей высоте (это требуется для прогрева комнат от самого пола), но при этом в пристройке внутри топки нужно поставить топливник из шамотных кирпичей (на ребро или в 1/2 кирпича). Высота этого топливника может быть 70-100 см, а над ним располагается плита-настил. Дым из пристройки должен из её колпака идти противотоком (огибая колодцеобразный топливник из шамотных кирпичей) и поступать в основную часть печи. Если не будет задвижки в пристройке и в случае, когда может не быть тяги в трубе, то при растопке такой пристройки дым может пойти в комнату через одинарную или двойную каминную дверцу или обычную топочную дверцу. Размещение чугунной плиты-настила над мощным топливником имеет недостаток: воздух в комнате при топке будет содержать запах раскалённого металла и сгоревшей пыли, которая в промежутках между топками успела осесть на металлическую поверхность настила. Также сильный нагрев чугунного настила сокращает срок его службы.
Порядовок этой конструкции печи у меня нет. Нужно делать проект исходя из габаритов предполагаемого места возведения пристройки и имеющейся основной части отопительной печи. При виде сверху эта печь с пристройкой выглядит как перевёрнутая буква «Т», у которой горизонтальная перекладинка (это пристройка) пристыкована к основной части печи.
|
_________________ С уважением, Игорь Сергеевич
Из Украины
P.S. Всё сказанное — IMHO (In My Humble Opinion; «по моему скромному мнению»), если не оговорено иное.
|
|
  |
 |
Олег Задорожный
Зарегистрирован: Вт 1 Июль 2008, 16:34
Сообщения: 9
Регион: Украина, Киев
|
Добавлено:
Ср 9 Июль 2008, 18:53
|
  |
Спасибо, Игорь Сергеевич!
Я понял, буду рисовать.
Если будут вопросы, буду вас тревожить (если не против).
С ув.
Олег
|
|
|
|
  |
 |
IgorUA

Зарегистрирован: Ср 13 Июнь 2007, 19:11
Сообщения: 1101
Регион: Киев, Украина
|
Добавлено:
Сб 12 Июль 2008, 12:29
|
  |
Пристройка может иметь приблизительно такой вид.
|
| Описание: |
|
| Размер файла: |
8.3 КБ |
| Просмотров: |
26969 раз(а) |

|
|
|
  |
 |
Михаил Маркин
Зарегистрирован: Чт 9 Март 2006, 20:47
Сообщения: 606
Регион: Владимир
|
Добавлено:
Пн 14 Июль 2008, 21:51
|
  |
Игорь Сергеевич, скажите а не выбивает с такой топочной дверцей?
|
|
|
|
    |
 |
IgorUA

Зарегистрирован: Ср 13 Июнь 2007, 19:11
Сообщения: 1101
Регион: Киев, Украина
|
Добавлено:
Вт 15 Июль 2008, 01:16
|
  |
Вообще-то под плитой установлена каминная двухстворчатая дверца SVT 401, в которой есть регулируемые поддувальные жалюзи (сдвиг влево-вправо), хотя было бы удобнее применить герметичную топочную одностворчатую левую или правую дверцу (SVT 406 и SVT 405 соответственно), чтобы было и стекло большое, и чтобы дрова было удобнее закладывать и ворошить. Эта каминная двустворчатая дверца большая, имеет размер 41х41 см, её цена 1500 гривен (~$320), а герметичная левая одностворчатая дверца SVT 406 стоит 2500 гривен (~$532), её размер также 41х41 см (посадочные размеры). С экономической точки зрения оказалось дешевле применить именно негерметичную каминную двухстворчатую дверцу. При хорошей тяге огонь ложится в топке влево вдоль чугунного настила, языки пламени в растопленной печи через закрытые каминные дверцы не пытается проникать, так как через имеющиеся щели идёт хороший подсос воздуха помимо имеющихся в этой дверце поддувальных жалюзи, а также зольной (поддувальной) дверцы.
У двухстворчатой каминной дверцы SVT 401 есть существенное достоинство: при полностью открытых дверцах нагрузка на крепление самого корпуса дверцы получается меньше, чем у одностворчатой дверцы SVT 405, поэтому это крепление держит дверцу надёжнее.
На фотографии классическая печь Шведка с финским чугунным литьём, хотя вполне можно обойтись отечественным, но эстетика сильно пострадает.
|
_________________ С уважением, Игорь Сергеевич
Из Украины
P.S. Всё сказанное — IMHO (In My Humble Opinion; «по моему скромному мнению»), если не оговорено иное.
| Описание: |
Каминная дверца SVT 405 правая герметичная Размеры (ВхШ) посадочные - 330/410х410мм внешние (рамка) - 500х500мм |
|
| Размер файла: |
16.75 КБ |
| Просмотров: |
1197 раз(а) |

|
| Описание: |
Каминная дверца SVT 401 двухстворчатая Размеры (ВхШ) посадочные - 410х410мм внешние (рамка) - 500х500мм |
|
| Размер файла: |
20.67 КБ |
| Просмотров: |
1120 раз(а) |

|
|
|
  |
 |
Павел

Зарегистрирован: Вт 19 Февраль 2008, 23:19
Сообщения: 473
Регион: Петербург.
|
Добавлено:
Вт 15 Июль 2008, 10:13
|
  |
Игорь Сергеевич. А если камин открытый и без колосника ,а я хочу его закрыть двумя дверками,как выше изложено. При полностью открытых задвижках воздуха будет достаточно или нужен доп. подвод воздуха?
|
_________________ Павел. Петербург. Удачи вам. Прометеи.
|
|
   |
 |
IgorUA

Зарегистрирован: Ср 13 Июнь 2007, 19:11
Сообщения: 1101
Регион: Киев, Украина
|
Добавлено:
Вт 15 Июль 2008, 10:49
|
  |
Колосник и поддувальная дверца очень желательны, так как топливо сгорает намного лучше, чем на сплошном поде.
Можно сделать каминную топку и без колосника и поддувальной дверцы, то есть сжигать дрова на шамотном поде, а окно топки закрыть каминной дверцей SVT 401, но при интенсивном горении дров воздуха через жалюзи и щели в топку будет поступать недостаточно, придётся приоткрывать одну из дверец каминной дверцы.
Внизу под подом или сбоку или даже спереди желательно сделать отверстие размером в тычок или 2 таких отверстия (так гораздо лучше), через которые в топку свободно будет поступать воздух в достаточном количестве, но такой камин желательно сделать колпаковым, чтобы была автоматическая регулировка приходящего и уходящего холодного воздуха.
|
_________________ С уважением, Игорь Сергеевич
Из Украины
P.S. Всё сказанное — IMHO (In My Humble Opinion; «по моему скромному мнению»), если не оговорено иное.
Последний раз редактировалось: IgorUA (Вт 15 Июль 2008, 11:43), всего редактировалось 2 раз(а) |
|
  |
 |
Павел

Зарегистрирован: Вт 19 Февраль 2008, 23:19
Сообщения: 473
Регион: Петербург.
|
Добавлено:
Вт 15 Июль 2008, 10:56
|
  |
Спасибо. Я конкретно имею ввиду"ОВИК ЗК 11" и пока не вижу откуда подводить воздух. Под камином есть ход,но это для прогрева. Если в поду делать колосник, а приток через открытую прочистную дверку?
|
_________________ Павел. Петербург. Удачи вам. Прометеи.
|
|
   |
 |
IgorUA

Зарегистрирован: Ср 13 Июнь 2007, 19:11
Сообщения: 1101
Регион: Киев, Украина
|
Добавлено:
Вт 15 Июль 2008, 11:15
|
  |
Придётся в ОВИКЗК 11 сделать спереди каминной части под полкой, но выше пода (или на его уровне) 2 отверстия размером в тычок каждое, через которые будет подсасываться воздух. Эти отверстия обозначены красным цветом.
На рисунке Podduvalo.jpg эти отверстия обозначены цифрой 1.
|
_________________ С уважением, Игорь Сергеевич
Из Украины
P.S. Всё сказанное — IMHO (In My Humble Opinion; «по моему скромному мнению»), если не оговорено иное.
| Описание: |
ОВИКЗК 11 Отопительно-варочная печь с камином сзади, духовкой, полочками, топка спереди |
|
| Размер файла: |
5.03 КБ |
| Просмотров: |
26872 раз(а) |

|
| Описание: |
|
| Размер файла: |
55.81 КБ |
| Просмотров: |
1069 раз(а) |

|
|
|
  |
 |
Павел

Зарегистрирован: Вт 19 Февраль 2008, 23:19
Сообщения: 473
Регион: Петербург.
|
Добавлено:
Вт 15 Июль 2008, 11:26
|
  |
Все понял. Вот спец, даже нарисовать успел. Однако у Кузнецова под камина в 6 ряду,5 ряд ,под камином-сплошной, а в 4 канал и только в3, как я понял из рисунка, надо делать отверстия. Не получится, что теплый воздух из плиты будет уходить в камин. Если как на рисунке, то отверстия будут в 4 ряду, по-которому идет теплый воздух из плиты и кто кого победит. В какую сторону пойдет дым?
|
_________________ Павел. Петербург. Удачи вам. Прометеи.
|
|
   |
 |
IgorUA

Зарегистрирован: Ср 13 Июнь 2007, 19:11
Сообщения: 1101
Регион: Киев, Украина
|
Добавлено:
Вт 15 Июль 2008, 11:41
|
  |
Поддувальные каналы не должны подсасывать воздух из топки плиты в топку камина.
Если не получается разместить эти поддувальные отверстия спереди, то их можно сделать по бокам камина на уровне пода (или на 1 ряд выше пода) поближе к устью топки.
|
_________________ С уважением, Игорь Сергеевич
Из Украины
P.S. Всё сказанное — IMHO (In My Humble Opinion; «по моему скромному мнению»), если не оговорено иное.
|
|
  |
 |
Павел

Зарегистрирован: Вт 19 Февраль 2008, 23:19
Сообщения: 473
Регион: Петербург.
|
Добавлено:
Вт 15 Июль 2008, 11:52
|
  |
По бокам камина и выше и ниже, знаменитые Кузнецовские колпаки, т.е. нижний колпак. Думаю, при раздельной топке (камин или печь) система с поддувом через боковую прочистную дверку+канал под подом камина+колосник в камине работать будет, а вот совместно...Тут вопрос тяги.***
--------------------------------------------------------------------------------
Поддувальные каналы не должны подсасывать воздух из топки плиты в топку камина. *** Да, но канал-то один получается.
|
_________________ Павел. Петербург. Удачи вам. Прометеи.
|
|
   |
 |
Паша

Зарегистрирован: Ср 28 Ноябрь 2007, 23:35
Сообщения: 369
|
Добавлено:
Вт 15 Июль 2008, 18:09
|
  |
| IgorUA писал(а): |
| , но такой камин желательно сделать колпаковым, чтобы была автоматическая регулировка приходящего и уходящего холодного воздуха. |
Объясните , что такое колпаковый камин , никогда не видел , где у него колпак?
|
|
|
|
  |
 |
Владимир Жирнов
Зарегистрирован: Пт 12 Май 2006, 23:29
Сообщения: 713
|
Добавлено:
Ср 16 Июль 2008, 10:59
|
  |
Паша, он не будет работать без дверки.
С дверкой уже не камин. ;-)
У них там всё не по Русски...
|
|
|
|
   |
 |
Паша

Зарегистрирован: Ср 28 Ноябрь 2007, 23:35
Сообщения: 369
|
Добавлено:
Ср 16 Июль 2008, 11:09
|
  |
| Владимир Жирнов писал(а): |
, он не будет работать без дверки.
С дверкой уже не камин. ;-)
...  |
Я так и подумал ,
физика - упрямая вещь.
|
|
|
|
  |
 |
IgorUA

Зарегистрирован: Ср 13 Июнь 2007, 19:11
Сообщения: 1101
Регион: Киев, Украина
|
Добавлено:
Чт 17 Июль 2008, 00:30
|
  |
Kamin_bez_kolpaka.jpg — в этом примитивном (как бы европейском) камине нет колпака, горячие газы идут прямо в трубу и греют атмосферу. КПД такого камина 10-15%.
Kamin_c_kolpakom.jpg — в этом камине есть колпак. Горячие газы из топки поднимаются в этот колпак, отдают тепло кирпичном массиву колпака, а затем, охладившись, опускаются вниз к устью дымохода, который выложен во внутреннем объёме камина в задней его части (в глубине как раз над топкой камина). Устье дымохода открывается на уровне, который находится как раз на уровне деревянной полки камина, то есть дым обычно идёт в дымоход, а не через портал в помещение, где установлен камин. Задвижка дымохода находится на 2-м этаже дома. КПД более 60%.
Наличие дверцы на портале камина улучшает процесс сгорания дров, что увеличивает КПД камина.
Отдельный воздуховод, который подводит наружный воздух к топке камина, ещё больше увеличивает КПД камина, так как тёплый воздух из помещения не засасывается в камин и не выбрасывается через дымоход наружу дома.
|
_________________ С уважением, Игорь Сергеевич
Из Украины
P.S. Всё сказанное — IMHO (In My Humble Opinion; «по моему скромному мнению»), если не оговорено иное.
| Описание: |
|
| Размер файла: |
79.19 КБ |
| Просмотров: |
1144 раз(а) |

|
| Описание: |
|
| Размер файла: |
54.86 КБ |
| Просмотров: |
1135 раз(а) |

|
|
|
  |
 |
IgorUA

Зарегистрирован: Ср 13 Июнь 2007, 19:11
Сообщения: 1101
Регион: Киев, Украина
|
Добавлено:
Чт 17 Июль 2008, 00:41
|
  |
| Павел писал(а): |
| По бокам камина и выше и ниже, знаменитые Кузнецовские колпаки, т.е. нижний колпак. |
Проблема решается просто:
1) топить при приоткрытой дверце камина, а когда дрова прогорят и пламя будет невысоким, дверцу можно полностью закрыть;
2) по бокам камина сделать 2 отверстия размером с тычок кирпича и в эти отверстия вставить короба из нержавейки, через которые в топку камина будет поступать воздух. Короба герметичные, в них не проникает дым. В кладке короба загермеризировать термостойким пластичным герметиком (выдерживает до +300°С и даже +1000°С). Дым из канала (нижнего колпака) между топкой камина и дымоходом не будет проникать в топку камина. Недостаток: входящий в камин воздух будет подогреваться металлическим коробом, то есть будет уменьшаться КПД работы нижнего колпака.
|
_________________ С уважением, Игорь Сергеевич
Из Украины
P.S. Всё сказанное — IMHO (In My Humble Opinion; «по моему скромному мнению»), если не оговорено иное.
Последний раз редактировалось: IgorUA (Чт 17 Июль 2008, 01:18), всего редактировалось 1 раз |
|
  |
 |
|
|
|
Следующая тема
Предыдущая тема
Вы не можете начинать темы Вы не можете отвечать на сообщения Вы не можете редактировать свои сообщения Вы не можете удалять свои сообщения Вы не можете голосовать в опросах Вы не можете добавлять приложения в этом форуме Вы можете скачивать файлы в этом форуме
|
|