 |
|
 |
| Автор |
Сообщение
|
ВованЕ

Зарегистрирован: Вт 14 Февраль 2017, 15:12
Сообщения: 680
Регион: ЛитвА
|
Добавлено:
Пт 14 Июль 2017, 13:34
|
  |
Вы, наверное, единственный из-обитателей Форума, кто рисует какие-то сильно"мудрёные" проекты , в-которых никтО ничего неПонимает......Никто не-комментирует Ваши сильно запУтанные проекты.
|
|
|
|
  |
 |
ВованЕ

Зарегистрирован: Вт 14 Февраль 2017, 15:12
Сообщения: 680
Регион: ЛитвА
|
Добавлено:
Пт 14 Июль 2017, 13:42
|
  |
Пожалуй, только товарищ"tuomob" ( Юра ),инженер-электронщик с-военного предприятия из-Тулы, увлекАющийся 3D-моделированием печных приборов, может составить Вам конкуренцию.....
|
|
|
|
  |
 |
ВованЕ

Зарегистрирован: Вт 14 Февраль 2017, 15:12
Сообщения: 680
Регион: ЛитвА
|
Добавлено:
Пт 14 Июль 2017, 13:46
|
  |
..вообще, стАль возможна только "обычная магазинная черновая", с-возможностью последующего "монтажа-демонтажа"данного элемента конструкции печи неПовреждАющим методом ...
|
|
|
|
  |
 |
Селиван Виктор
Проектировщик

Зарегистрирован: Сб 2 Январь 2010, 14:33
Сообщения: 6745
Регион: г.Челябинск
|
Добавлено:
Пт 14 Июль 2017, 13:57
|
  |
| ВованЕ писал(а): |
Вы, наверное, единственный из-обитателей Форума, кто рисует какие-то сильно"мудрёные" проекты , в-которых никтО ничего неПонимает......Никто не-комментирует Ваши сильно запУтанные проекты.  |
Ещё как комментируют. Но понятны единицам. А чтобы понять недостаточно вершков с форума и из интернета. Нужно своими руками много печей построить -а потом что критиковать и комментировать. А болтунов и проектировщиков не построивших ни одной печи достаточно. И они ещё пытаются что то доказать да и ещё такие как Солин ещё и продавать проекты и давать советы как строить. А сами то кирпич в руках не держали, не видели живьём процесс создания печей.
|
|
|
|
     |
 |
Селиван Виктор
Проектировщик

Зарегистрирован: Сб 2 Январь 2010, 14:33
Сообщения: 6745
Регион: г.Челябинск
|
Добавлено:
Пт 14 Июль 2017, 14:14
|
  |
| ВованЕ писал(а): |
Пожалуй, только товарищ"tuomob" ( Юра ),инженер-электронщик с-военного предприятия из-Тулы, увлекАющийся 3D-моделированием печных приборов, может составить Вам конкуренцию.....  |
Юрий порядочный человек. Но он мне не конкурент. Если только в 3Д проектировании -здесь то я малость туповат.К концу пятого десятка лет только комп. освоил . Но это ещё прогресс -всем известный Кузнецов И В -только в 60 лет научился владеть в совершенстве компом.
|
|
|
|
     |
 |
ВованЕ

Зарегистрирован: Вт 14 Февраль 2017, 15:12
Сообщения: 680
Регион: ЛитвА
|
Добавлено:
Пт 14 Июль 2017, 19:44
|
  |
Товарищ" Селиван Виктор"...!
Знаете, даже исходя из-общего описания процессов, происходящих в-Вашей "таинственной" продвинутой модели печи" с-жаровыми трубами" уже понимаю, что Мы с-Вами мыслим разными категориями.
Полагаю, что применение в-качестве"посредника"любых промежуточных металлических конструкций, передающих тепловую среду из-точки"А" в-точку"В" менЯ не-устроит априори.
Мои соображения таковЫ :
-Быстрый разогрев помещения не-должен превалировать над тепловой ёмкостью кирпичного массива в-ущерб долговечности отдавАемого теплА.
-Применение промежуточной пары "перевал-подвёртка"неприемлемо по-причине "гашения"теплового импульса топки и невозможности создания равномерной "тепловой картинки" нижнего Яруса.
-Заполнение "нижнего колпака" рабочей средой возможно , исключительно", только"снизу-вверх".
-Долговечность конструкции должна быть неопределённо большой и не-требовать периодической замены жаровых элементов "Топки".
-Экономичность печи - главный показатель скомпонованности конструкции.
В-момент растАпливания моей конструкции возможно первичное образование "сажи".
Зато последующая работа нижнего колпака обеспечивает полное выгорание образовавшейся сажи и чистоту внутренних газоходов.
Верхний колпак малоИнтересен, по-причине его "вторичности" и выполнения его роли "запорного бункера" для-нижележащих горячих зон печи.
Верхний колпак должен обеспечивать приемлемую температуру отходящих газов в-Дымоходе без-образования "Конденсата".
Вот и все минимальные атрибуты действующего конструктива печИ в-моём понимании бытового комфорта.
Полагаю, что мой эскиз уже достаточно проработан и скомпонован и требует , лишь, мелких незначительных поправок и доработок.....
|
|
|
|
  |
 |
Селиван Виктор
Проектировщик

Зарегистрирован: Сб 2 Январь 2010, 14:33
Сообщения: 6745
Регион: г.Челябинск
|
Добавлено:
Пт 14 Июль 2017, 19:58
|
  |
| ВованЕ писал(а): |
Товарищ" Селиван Виктор"...!
Полагаю, что мой эскиз уже достаточно проработан и скомпонован и требует , лишь, мелких незначительных поправок и доработок.....  |
Если такой продвинутый в печах -зачем совета спрашиваешь?И вообще затем тему открыл? Как уже ранее здесь говорил -"Театр одного актёра". Хотел моё мнение услышать? Услышал.
|
|
|
|
     |
 |
ВованЕ

Зарегистрирован: Вт 14 Февраль 2017, 15:12
Сообщения: 680
Регион: ЛитвА
|
Добавлено:
Пт 28 Июль 2017, 10:58
|
  |
ПопрошУ найти"10 отличий" между данным проектом и моим индивидуальным эскизом...?
ПисАть по-существУ проблемы и без-всяких дурацких голослОвных Эмоций........
|
| Описание: |
|
| Размер файла: |
18.48 КБ |
| Просмотров: |
686 раз(а) |

|
|
|
  |
 |
ВованЕ

Зарегистрирован: Вт 14 Февраль 2017, 15:12
Сообщения: 680
Регион: ЛитвА
|
Добавлено:
Чт 3 Август 2017, 07:27
|
  |
.....и всё-таки, братцы, никак нельзЯ без"сухого швА"и пары"перевАл-подвёртка"....!! Почитал внимательно наставления Игоря Кузнецова и понял, что без"сухого швА", нынче, делать печи - признак дурного тона и отсталого мышления..! Нужно просто встАвить сей технологический современный продУманный "комплект от-Кузнецова"в-данный проект и немного подшлифовАть "по-калориферу" и верхнему колпаку". Нужно сделать сквозную технологическую щель в-стенке нижнего колпака для-оперативной замены лопнувшей плиты..?
Вытаскивать плиту "на-диагонАль" - ещё "тот геморрой" и нужно иное технологическое решение......
|
|
|
|
  |
 |
ВованЕ

Зарегистрирован: Вт 14 Февраль 2017, 15:12
Сообщения: 680
Регион: ЛитвА
|
Добавлено:
Вс 13 Август 2017, 00:57
|
  |
....у-соседа старый печник лОжит печь-грубку с-лежанкой. Чувствуется опыт и навыки кладки. Но совершенно не-соблюдает размерность"3-5мм" в-шваХ.......Некоторые швы на-вырАвнивании внутренник порядовок толщиной до-2см..!! Сам проект - типичная лежанка"змейка". По-ходу кладки внОсятся коррективы.
Сам печник - хороший неКонфликтный человек, еврей.
Ложит "по-старинке" - без пары"перевАл-подвёртка". ХайлО сделано в-конце топки, без-привЯзки "по-высоте" загрузочной дверцы
"Топки". Может поддЫмливать при-подбрАсывании дров в-"раскочегАренную топку"...?
Отсутствует"шамотное внутреннее ЯдрО в-Топке.
ПолагАю, что такие проекты он ложит уже давнО и онИ все рабочие..!!
Но, за-отсутствие пары "перевАл-подвёртка", будущие хозяевА подобной печИ платят низкоТемпературным факелом, высоким сажеобразованием и перерасходом дров в-процессе Эксплуатации...!!?
Поскольку над-топкой лежит чугунная 2-хКонфорочная плитовина, сразу греется именно эта"плитовина" над-топкой, а-после факел ныряет в-горизонтальное"ХайлО и уходит вниз - на"второй-восьмой" ряды кладки, составляющие по-высоте - "высотУ" лежанки.
Печь будет горячая "по-кругу".
Отсутствует "ЗЛХ", что полагаю совсем неДопустимым параметром печи....
Пожалуй, установка пары"перевал-подвёртка - с-сухим швом"по-Кузнецову" - совсем не-помешала бы для-подъёма температуры "первичного факела"...!!?
Постараюсь, с-соизволения хозЯина, нафОткать печь с-Топкой и показать честной публике на-экспертизу..?
|
|
|
|
  |
 |
ВованЕ

Зарегистрирован: Вт 14 Февраль 2017, 15:12
Сообщения: 680
Регион: ЛитвА
|
Добавлено:
Пн 14 Август 2017, 08:15
|
  |
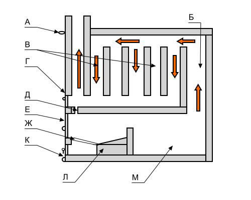
Принципиальная схема "топливник Игоря Кузнецова".
Вот, брАтцы - настольное пособие для-правильной организациии процесса сгорания топлива в-грамотной диспозиции. Изучайте и применяйте...........!! Всякие сомнения вреднЫ и неПродуктивны.......
|
| Описание: |
|
| Размер файла: |
22.14 КБ |
| Просмотров: |
672 раз(а) |

|
|
|
  |
 |
ВованЕ

Зарегистрирован: Вт 14 Февраль 2017, 15:12
Сообщения: 680
Регион: ЛитвА
|
Добавлено:
Пн 14 Август 2017, 08:39
|
  |
Изучив данный чертёж, понял, что нахожусь на-правильном пути, относительно моей назойливой"идеи-Фикс" - организации подпольного забора воздуха и "прогОна"питающей струИ по-первому "подстилАющему" ряду нижнего колпака...!
У-Кузнецова подобный метод"подогрева" питающей струИ называется "реГенератор"...!!
Вообще-то, правильнее было бы называть сиЕ техническое приспособление - Рекуператор..!!?
При-этом Мы не-нарушаем теплотехнических понятий, в-плане грамотного "отбора теплА" проходЯщей струёй воздуха по-самой горячей области нижнего колпака, прогревАемой первичным факелом
|
|
|
|
  |
 |
ВованЕ

Зарегистрирован: Вт 14 Февраль 2017, 15:12
Сообщения: 680
Регион: ЛитвА
|
Добавлено:
Чт 17 Август 2017, 01:23
|
  |
...нафОткал печь с-лежанкой у-соседа, да не-получается скинуть здесь из-за ограничений по-размерности файлов.......
Не-знаю и не-умею как-то по-другому их где-то "выклАдывать".........
Таким вещам нужно учиться "смолоду".
Лень-матушка обуревает всякий раз, когдА нужно освАивать какую-то"компьютерную хрень" замысловатую.....
Вообще, считаю, что компьютерные технологии находятся, пока что, в-зачаточном состоянии.
Придут временА, когда не-нужно будет освАивать все эти"премудрости-программистов.
Простой телепатический интерфейс будет улАвливать интуитивные пожелания-предпочтения человека и всё выстрАивать наилучшим образом на-рАдость обывАтелю.....
|
|
|
|
  |
 |
ВованЕ

Зарегистрирован: Вт 14 Февраль 2017, 15:12
Сообщения: 680
Регион: ЛитвА
|
Добавлено:
Пт 29 Сентябрь 2017, 10:41
|
  |
Сейчас уже "поднаторел"в-теоретической базе и могУ сказать совершенно АВТОРИТЕТНО, что в-любую строящуюся печь нужно ставить "топливник Кузнецова", с-индивидуальными особенностями рестайлинга конструкции для-каждого проекта.
Многоступенчатая подача ВВ в-процессе "дОжига"обязАтельна, в-том числе и в-сухие швы.
Сухих швов должно быть, как-минимум - Два - вдоль длинных стен.
Если печь с-топливником на-длинной стороне - нужно делать"Четыре(!)"сухих швА - вдоль каждой длинной стороны, в-обе стороны от-ХайлА
Сухие швЫ берут на-себЯ роль"колхозной типовой печи", в-огромных количествах строящихся по-прежнему в-многострадальной Литве.
При-этом Мы сохраняем принцип"скоростной горизонтальной подачи" первичного Факела вдоль нижней зоны печи и самОй подошвы....
В-нижнем колпаке, благодаря интенсивному "разделению" зон горения - холодная составляющая"азотного горения" уходит отдельным маршрутом, не-подмешиваясь в-общий массив запасАемого объёма основного факела, развивающего температуру в-районе 1100* цельсия........
При-этом,попутно, идёт интенсивный разогрев внешней стенки "подъёмного канала" азотным потоком, что есть великое"БлАго"...!!
Плиту/духовку и прочие чугунные элементы печи ставим в-рядах"15-16" и выше.
При этом отсутствует паразитный эффект"холодного ядрА", выхолАживающий топку и абсолютно нарушАющий формирование правильного "первичного фАкела", создающего первородное "горячее облако" в-нижнем главном колпаке.....
Отныне, Мы увеличиваем высоту нижнего колпака до"24"ряда, с-учётом перекрыши и, таким образом, создаём комфортную "зону существования"человека во-весь рост, что весьмА важно и желАемо...
Крайне важнА роль"катализатора", выполненного шамотным кирпичом"на-ребрО", с-подачей ВВ в-щели "между рёбрами"дополнительно....
..........................................
В-многоэтажных печах нужно ОБЯЗАТЕЛЬНО пропускать верхний горячий Факел"отдельным маршрутом" от-нижнего азотного потока - путём разделения данных потоков кирпичным"инвертором на-ребрО", сохраняя, таким образом, кинетический потенциал верхнего "горячего факела" - для-полноценного обогрева верхнего этажа приходящим "первичным факелом".....
Подъёмный первичный канал в-таких печах нужно делать в"кирпич", разделяя внутренней перегородкой"на-ребрО" - основной подъёмный канал - "в-полКирпича".
Дополнительный подъёмный канал "азотного горения" делаем "на-четверть".
При неЗакрытой топливной дверце между топками - приходЯщий воздух будет "проползАть" по"сухим швам"и сразу же уходить через имеющийся "инверторный канал", минуя "попадАлово"в-основной отопительный контур......
Установка какого-либо"Колпака" на-первом этаже здания, для-многоэтажной печи ЗАПРЕЩАЕТСЯ, в-силу"потери скоростного импульса" и неполноценного обогрева верхнего этажа..!!
Установка какой-либо"чугунины" на-первом этаже также ЗАПРЕЩАЕТСЯ, для-полноценного РАВНОМЕРНОГО обогрева многоэтажной печи по-всей высоте конструкции..!!
УстанАвливаемый на-верхнем этаже"Колпак" является основным рабочим элементом обогрева , одновременно, выполняет роль"запорного бункера"для-нижнего этажа, в-плане ДОЛГОВЕЧНОСТИ сохранЯемого "жАра", индуцируемого нижним этажом между топками...
Как исключение, можно применять для-дверцы Топки, в-таких печах - стеклянное"забрАло" - как элемент "быстрого разогрева"нижнего этажа.В-этом случае, можно увеличивать площадь"Зеркала"топочной дверцы - как аналог "чугунной плиты"...
Безусловным элементом всех печей должнА стАть подача всегО технического воздуха из-под печи - из-подпольного пространства дома либо из-погреба.
|
|
|
|
  |
 |
ВованЕ

Зарегистрирован: Вт 14 Февраль 2017, 15:12
Сообщения: 680
Регион: ЛитвА
|
Добавлено:
Пн 23 Октябрь 2017, 15:21
|
  |
Привет ВСЕМ..!!
Долго переосмысливал печную концепцию Игоря Кузнецова и понял, что данное технологическое решение является наиболее продвинутым,на-сегодняшний день, среди прочих-многих претендентов.
Быть может "печи Жирнова" на-рассечках и могут составить некую конкуренцию"кузнецовкам", в-плане сиюминутной эффективности,однако, в-плане ДОЛГОВЕЧНОСТИ сохраняемого тепла - двухколпаковки "впереди планеты всей"...!!
После затянувшейся"паузы" с-переклАдыванием порфирьевского "детища", решился на-более масштабную переделку.
Даже рад, что не-поддался на-предложения сделать уже известные "решения" прочих авторских проектов, типа"Т-образная" печь......
в-моих шальных мозгАх маячит заманчивая перспектива сложить "Г-образную" двухколпаковую печь, с-угловым расположением топливника " а-ля-камин"...!!?
Концепция печи простА "как три копейки" - встроенный угловой "топливник Кузнецова"/ большая стеклянная дверца топки(камин?)/четыре "сухих швА"/ Два равновеликих нижних колпака( слева и справа от-топки)/Два равновеликих верхних колпака. Выход дыма через старую врезку порфирьевки - "тумбу совмещения" на-чердаке....
Всё реАльно, поскольку имеем полную"зеркАльность" отопительных щитков.
Толщину отопительных щитков печи уменьшу до "40см" - полтора-кирпича.
Шамотное ядрО и сам топливник нужно делать в-полноценной версии"от-кУзнецова", с-рекуператором подпольного забора воздуха и катализатором в-зоне"ХайлА".
Хотелось бы врезать по-одному"плоскому калориферу" - система"а-ля шанцы"( ряды "16-17" / " 13х20х71см") в-каждое крыло для-повышения эффективности излучАтелей"быстрого теплА".
В-графической проекции"вид-сверху" печь будет очень похожа на-проекты"угловых каминов" с-развитОй системой"отопительных щитков-крыльев"....
Был бы весьмА признателен Товарищу"Юре"tuomob", если бы Он помог мне с-графической порядовкой данного проекта..!?
Прошу писАть свои соображения по-данной теме...??
|
|
|
|
  |
 |
Вогнистый Владимир

Зарегистрирован: Сб 7 Апрель 2012, 16:13
Сообщения: 811
Регион: Мариуполь, Украина
|
Добавлено:
Пн 23 Октябрь 2017, 17:40
|
  |
| ВованЕ писал(а): |
Привет ВСЕМ..!!
Прошу писАть свои соображения по-данной теме...??  |
Раскажите про Г. и Т образные щитки.?
|
_________________ Печь - это душа дома!!!
|
|
    |
 |
ВованЕ

Зарегистрирован: Вт 14 Февраль 2017, 15:12
Сообщения: 680
Регион: ЛитвА
|
Добавлено:
Вт 24 Октябрь 2017, 00:09
|
  |
Товарищ"ВолодяВогнистый"..!
Т-образная печь Вам хорошо известна.
Этот проект поищу позже, когда буду писать"с-ноутбука".
Что касается"Г-образной" печи, то тут всё просто. СостАвьте "углом"90* два типовых отопительных щитка и "в-угол" между ними встАвьте полноценный"топливник Кузнецова"с-шамотным ядром.
|
|
|
|
  |
 |
ВованЕ

Зарегистрирован: Вт 14 Февраль 2017, 15:12
Сообщения: 680
Регион: ЛитвА
|
Добавлено:
Вт 24 Октябрь 2017, 00:30
|
  |
Нужно просмотреть способы "перевязки"угловых каминов и "нахватАть вершков"из-Интернета по-данной теме.
Поскольку загружен на-Фазенде прочими строительными проектами "по-самые яйца", существующая в-Доме "горе-печь"Порфирьева ещё будет пару зимних сезонов трудиться как"пчёлка".Система колпаков приводит в-щенЯчий восторг своей практичностью и функционалом.
Эх, если бы этот"туповАтый Порфирьев"подсуетился и сделал опытный образец данной печи в-реАльном исполнении, то не-было бы и никогда не появились бы мёртворождённые"проекты"подобные моемУ....
|
|
|
|
  |
 |
Вогнистый Владимир

Зарегистрирован: Сб 7 Апрель 2012, 16:13
Сообщения: 811
Регион: Мариуполь, Украина
|
Добавлено:
Вт 24 Октябрь 2017, 21:09
|
  |
| ВованЕ писал(а): |
Нужно просмотреть способы "перевязки"угловых каминов и "нахватАть вершков"из-Интернета по-данной теме.
Поскольку загружен на-Фазенде прочими строительными проектами "по-самые яйца", существующая в-Доме "горе-печь"Порфирьева ещё будет пару зимних сезонов трудиться как"пчёлка".Система колпаков приводит в-щенЯчий восторг своей практичностью и функционалом.
Эх, если бы этот"туповАтый Порфирьев"подсуетился и сделал опытный образец данной печи в-реАльном исполнении, то не-было бы и никогда не появились бы мёртворождённые"проекты"подобные моемУ....  |
Любую печь можно сделать - плохо и хорошо. Каналы тоже надо уметь -делать. А Г. образный щиток может состоять из двух щитков а так же и быть одним . Печной мир -большой. И не надо ни кого называть - тупым
|
_________________ Печь - это душа дома!!!
|
|
    |
 |
ВованЕ

Зарегистрирован: Вт 14 Февраль 2017, 15:12
Сообщения: 680
Регион: ЛитвА
|
Добавлено:
Вт 24 Октябрь 2017, 23:31
|
  |
Вот эти два типа щитков - типичный "отстой" по-конструктиву и функционалу. Безусловный "фуфел"голимый....
|
| Описание: |
|
| Размер файла: |
330.49 КБ |
| Просмотров: |
604 раз(а) |

|
| Описание: |
|
| Размер файла: |
271.53 КБ |
| Просмотров: |
616 раз(а) |

|
|
|
  |
 |
|
|
|
Следующая тема
Предыдущая тема
Вы не можете начинать темы Вы не можете отвечать на сообщения Вы не можете редактировать свои сообщения Вы не можете удалять свои сообщения Вы не можете голосовать в опросах Вы не можете добавлять приложения в этом форуме Вы можете скачивать файлы в этом форуме
|
|