| Автор |
Сообщение
|
ElenaSt
Зарегистрирован: Вт 28 Январь 2014, 13:26
Сообщения: 6
Регион: Санкт-Петербург
|
Добавлено:
Вт 28 Январь 2014, 15:10
|
  |
Здравствуйте!
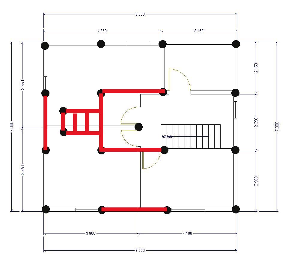
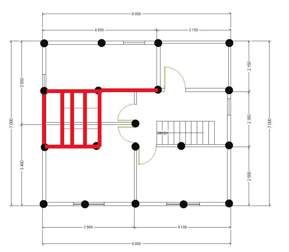
Хотим ставить дом из профилированного бруса 140*140 мм в ближайшие сроки. Размер дома 7х8. Планировка прикреплена ниже. Никак не можем определиться с выбором кирпичной печи. Сосед себе выложил "шведку" Буслаева, нам очень понравилось. Но, может быть, посоветуете какой-нибудь другой вариант. Желательное расположение также обозначено на плане (примерно).
Волнует вопрос фундамента. Дом будет стоять на свайно-винтовом, а какой фундамент подойдет лучше под кирпичную печь - не знаем... Еще вопрос такой: строителей сразу просить сделать вырез в стене для печи или потом можно и самим справиться? Будьте любезны, помогите мудрым советом.
|
| Описание: |
|
| Размер файла: |
133.37 КБ |
| Просмотров: |
781 раз(а) |

|
| Описание: |
|
| Размер файла: |
132.01 КБ |
| Просмотров: |
755 раз(а) |

|
|
|
  |
 |
Безумный Печник

Зарегистрирован: Чт 2 Февраль 2012, 21:43
Сообщения: 3221
Регион: спб
|
Добавлено:
Вт 28 Январь 2014, 18:30
|
  |
В последние лет 5 строю Шведку на основе ( ОВИК ) низ греться с 2 ряда дров кушает поменьше кпд высокое единственное слабые места как у всех отапительно- варочных печей плита и духовка .Оптимал высоты плиты 12-13 рядов 86-92 см духовку лучше ставить в верх либо делать ХК ( мини русскую печь) либо отказаться в перевес длины топки 60- 70 см чтоб не пилить дрова стандарт 35-50 см. Если позволяет место и фундамент ( у вас его пока нет ) запроектировать для обогрева 2 комнат 35 -50 кв печь стоящею между перегородок ( см фото) размер ш- 130 см г-100 см с учетом противопожарных перегородок ( сама печь 4.5 на 3.5 кирпича +половинки по двум сторонам =1 кирпич 25 см +шов 5 мм) .Грамотные печники обычно вырезают перегородки но по уму лучше подшиваться к готовой печи . Вес одного печного кирпича 3.5 кг + фурнитура печное литье + раствор масса конструкции с трубой ( высота в коньке не указана) примерно идет от 1000 шт -1500 шт то есть 3.5 -5 тон . Но если у вас болотистая местность сложные грунты надо облегчать вес печи может стоит отказаться от кирпичной трубы в сторону облегченного Сендвича (нержавейки) уже минус вес трубы. Какие вы сами ставите требование к печи если вы не ограничены фантазиями и средствами оптимал ставить в одну комнату каминопечь с большой стеклянной дверкой каминого типа на кухню что типа мини русской печи с плитой на один общий фундамент работающий в одну трубу но это уже другая история . Может тут есть ваш вариант 1) 2 в 1 http://forum.stovemaster.ru/viewtopic.php?t=5831 3) Теплушка http://forum.stovemaster.ru/viewtopic.php?t=7103 4) 3 в 1 http://forum.stovemaster.ru/viewtopic.php?t=7553 4) Просто Шведки ( ОВИК ) http://forum.stovemaster.ru/viewtopic.php?t=6179 5) Отапительно -варочные с хк http://forum.stovemaster.ru/viewtopic.php?t=5585 6) двух этажные транзитные http://forum.stovemaster.ru/viewtopic.php?t=7024 Вариантов много какой лучше вам выбирать !!!!
|
_________________ Русская Печная АртелЪ -Возрождение старинных ремесел. Печные работы под ключ от зонтика до зольника . 89213537822
| Описание: |
|
| Размер файла: |
406.53 КБ |
| Просмотров: |
738 раз(а) |

|
| Описание: |
|
| Размер файла: |
349.52 КБ |
| Просмотров: |
737 раз(а) |

|
| Описание: |
|
| Размер файла: |
455.72 КБ |
| Просмотров: |
745 раз(а) |

|
|
|
    |
 |
ElenaSt
Зарегистрирован: Вт 28 Январь 2014, 13:26
Сообщения: 6
Регион: Санкт-Петербург
|
Добавлено:
Вт 28 Январь 2014, 19:02
|
  |
А возможен вариант отопительной печи на 2 этажа? Но хотелось бы ее габариты свести к минимуму.
На счет грунта: при пробном бурении в акте написали - 40-50 см плодородная, далее суглинок.
Если у нас дом на свайно-винтовом стоять будет, то каким образом под печь лучше сделать фундамент?
|
|
|
|
  |
 |
Владимир Солин

Зарегистрирован: Ср 9 Сентябрь 2009, 12:52
Сообщения: 3804
Регион: Череповец
|
Добавлено:
Вт 28 Январь 2014, 19:07
|
  |
А зачем вам сваи в суглинок? У меня дом стоит на песке, засыпанном вместо плодородной почвы на суглинок. Уже 4 с лишним года стоит... УГВ по весне=0 и все в порядке. Незаглубленный фундамент. Дешево и надежно. И печка стоит на песке просто. 2х этажная.
|
_________________ САМОназначенный дебил форума в 2017году
|
|
  |
 |
Безумный Печник

Зарегистрирован: Чт 2 Февраль 2012, 21:43
Сообщения: 3221
Регион: спб
|
Добавлено:
Вт 28 Январь 2014, 19:15
|
  |
Было бы немного проще если вы бы написали место строительства . По 2 этажу можно поставить либо металическую -буржуйку прямо в трубу либо ставить щиток кирпичный колпакового типа работающий от топки на первом этаже пример тут http://forum.stovemaster.ru/viewtopic.php?t=7443
|
_________________ Русская Печная АртелЪ -Возрождение старинных ремесел. Печные работы под ключ от зонтика до зольника . 89213537822
|
|
    |
 |
Безумный Печник

Зарегистрирован: Чт 2 Февраль 2012, 21:43
Сообщения: 3221
Регион: спб
|
Добавлено:
Вт 28 Январь 2014, 19:23
|
  |
Владимир у нас в Питере беда многие садоводства стоят на болотах при продаже участков их засыпают суглинком . Есть недорогие канторы которые делают фундаменты 2-3 дня сверлят своей буровой установкой им только вес печи говоришь они делают все сами. Попытка сэкономить на постройке своими силами или привлечение шабашников как правило заканчиваются сквозной трещиной через всю печь такое видал в Синявино.
|
_________________ Русская Печная АртелЪ -Возрождение старинных ремесел. Печные работы под ключ от зонтика до зольника . 89213537822
|
|
    |
 |
ElenaSt
Зарегистрирован: Вт 28 Январь 2014, 13:26
Сообщения: 6
Регион: Санкт-Петербург
|
Добавлено:
Вт 28 Январь 2014, 19:30
|
  |
Строительство в Лен. области, под Кировском, пос. Михайловский.
Нам придется все равно дом сначала строить. Сейчас зима же, а там ни кола ни двора нет. Хотелось бы с будущей печкой определиться, чтобы проем в стене сделать хотя бы. И на втором этаже все продумать.
Предлагали нам установить доп. сваи, на них лист приварить, обшить швеллером (фото). Не маловато ли будет под такую печь? ОВИК 20, если я не ошибаюсь в названии, вполне приемлемый вариант.
|
| Описание: |
|
| Размер файла: |
78.18 КБ |
| Просмотров: |
769 раз(а) |

|
| Описание: |
|
| Размер файла: |
77.57 КБ |
| Просмотров: |
706 раз(а) |

|
|
|
  |
 |
Безумный Печник

Зарегистрирован: Чт 2 Февраль 2012, 21:43
Сообщения: 3221
Регион: спб
|
Добавлено:
Вт 28 Январь 2014, 19:51
|
  |
На схеме я так понял красном варианты фундаментов !!!?? Одно могу сказать фундамент печи не должен завязан с фундаментом дома особенно свайного был случай в вашем направлении в сторону Мги перед свалкой после переезда Кировска не помню название .Суть в одном доме стена опиралась на фундамент где должна была стоять печь работяги сказали по другому нам каркас бруса не собрать. Дальше вырезали проем несущие бревно обошли кирпичом на уголках ( заказчик был предупрежден об подвижке грунтов и весе бревно резать отказался ) После постройки большой печи дом перекосило на одну сторону позже пришлось строить камин на другой стороне дома типа противовеса . В другом месте под Синявино местный печник ложил печь на типа свайный фундамент печь позже раскололась ка арбуз на две части по факту оказались 4 трубы закопанные на 1.5 метра местными спецами. Вот такие страшилки Найдите сначала печника с ним обговорите нюансы планировку дома- стропила на крыше -дизайн -он посчитает по уму. Зачем вам этот блудняк пускай мужики сами договариваются вам конечный вариант скажут . Овик 20 их много модификаций на чертежах они идут без футеровки это уже + 12 см . На первом ответе она и есть только обыграно архитектурным декором.
|
_________________ Русская Печная АртелЪ -Возрождение старинных ремесел. Печные работы под ключ от зонтика до зольника . 89213537822
Последний раз редактировалось: Безумный Печник (Вт 28 Январь 2014, 20:00), всего редактировалось 1 раз |
|
    |
 |
ElenaSt
Зарегистрирован: Вт 28 Январь 2014, 13:26
Сообщения: 6
Регион: Санкт-Петербург
|
Добавлено:
Вт 28 Январь 2014, 19:56
|
  |
Вот так примерно это выглядит. Честно, ничего хорошего при таких советах от фундаментщиков ждать не придется. Но они уверяют, стоять будет чуть ли не вечность.
|
| Описание: |
|
| Размер файла: |
78.85 КБ |
| Просмотров: |
875 раз(а) |

|
|
|
  |
 |
ElenaSt
Зарегистрирован: Вт 28 Январь 2014, 13:26
Сообщения: 6
Регион: Санкт-Петербург
|
Добавлено:
Вт 28 Январь 2014, 19:59
|
  |
Думали что-то вроде такого сделать под печь, но дом будет высоко над землей (может, 50 см) и как грамотно приподнять фундамент для печи - толком не знаем. Может это и не проблематично будет..
1-печь
2-уровень пола,гидроизоляция
3-кирпичная кладка или бетонная заливка
4-бутовый камень,щебёнка,гравий
5-грунт
|
| Описание: |
|
| Размер файла: |
97.08 КБ |
| Просмотров: |
745 раз(а) |

|
|
|
  |
 |
Безумный Печник

Зарегистрирован: Чт 2 Февраль 2012, 21:43
Сообщения: 3221
Регион: спб
|
Добавлено:
Вт 28 Январь 2014, 20:07
|
  |
В вашем месте с такой проблемой многие сталкивались попробуете узнать у соседей А как у них?? Есть русские бригады с гарантией на работы- обычно печники редко делают фундаменты просто нет времени на это есть специальные обученные люди. Глубина промерзания грунтов в спб 120-130 см как вариант лить тумбочку из бетона с арматуры по фото земля не болото где клюква растет. Как вариант делать по вашей схеме а печники сами поднимут черновую кладку до уровня чистого пола . Удачи
|
_________________ Русская Печная АртелЪ -Возрождение старинных ремесел. Печные работы под ключ от зонтика до зольника . 89213537822
|
|
    |
 |
Анатолий_Ковров

Зарегистрирован: Сб 15 Декабрь 2012, 21:25
Сообщения: 84
Регион: Ковров
|
Добавлено:
Вт 28 Январь 2014, 20:31
|
  |
| ElenaSt писал(а): |
Думали что-то вроде такого сделать под печь...
5-грунт |
5-песчаная подушка 10-15см.
6-грунт.
Солин прав. У меня суглинок и высокий УГВ. Мелкозаглубленный ленточный под все постройки. Аналогичный и под печь. Надежно и бюджетно.
Но и опыт соседей учесть просто необходимо.
|
|
|
|
   |
 |
ElenaSt
Зарегистрирован: Вт 28 Январь 2014, 13:26
Сообщения: 6
Регион: Санкт-Петербург
|
Добавлено:
Вт 28 Январь 2014, 20:39
|
  |
Еще раз уточню. Лучше сделать фундамент для печи также на сваях, к которым лист приваривается, но отдельно от дома (как на фото), или же прямо в грунт песчаную подушку; бутовый камень, щебёнка, гравий; бетонная заливка.. как на рисунке?
|
|
|
|
  |
 |
Андрей_Алексеевич

Зарегистрирован: Пн 13 Декабрь 2010, 19:17
Сообщения: 5940
Регион: малая родина Павлова, Скобелева, Циолковского, Уткиных и др.
|
Добавлено:
Вт 28 Январь 2014, 21:34
|
  |
| ElenaSt писал(а): |
| Здравствуйте! ... Хотим ставить дом ... Размер дома 7х8. Планировка прикреплена ниже. Никак не можем определиться с выбором кирпичной печи... |
А соседнюю тему http://forum.stovemaster.ru/viewtopic.php?t=7341 , как минимум - пролистать ????????? чтобы не было мучительно...........................
|
_________________ Печник - милостью и промыслом Божиим.
Печное отопление частного дома и т.п., авторское сопровождение проектов, наставничество в т.ч. дистанционное, партнёрство в кладке печей.
89106130763 МТС
andrejka61@mail.ru
andrej.kuzmischev@yandex.ru
Последний раз редактировалось: Андрей_Алексеевич (Вт 28 Январь 2014, 21:34), всего редактировалось 1 раз |
|
   |
 |
Анатолий_Ковров

Зарегистрирован: Сб 15 Декабрь 2012, 21:25
Сообщения: 84
Регион: Ковров
|
Добавлено:
Вт 28 Январь 2014, 21:34
|
  |
Лично я нигде не читал об установки печей на свайный фундамент. Старые дома стоят, как правило, на 6 заглубленных столбиках - своеобразный свайный фундамент. А вот печи на сплошном ставили.
Здесь много грамотных печников с огромном опытом. Если не прав - пусть поправят.
|
|
|
|
   |
 |
vladimir-krestyanin

Зарегистрирован: Сб 4 Май 2013, 17:38
Сообщения: 796
Регион: санкт-петербург
|
Добавлено:
Ср 29 Январь 2014, 00:24
|
  |
Где то про фундаменты (ТИСЭ)столбчатые д 250-300мм,сверху плита ж.б.-читал,Для пучинистых грунтов,и здесь на форуме было
есть ли практика подобная и реализованная ?
кмк побюджетнее кубика будет
|
_________________ Ну что, Данила-мастер,не выходит каменный цветок?
печи,камины,барбекю,проекты.
8 931 303 07 37
|
|
   |
 |
Александр Барашков
Зарегистрирован: Вт 19 Февраль 2013, 12:24
Сообщения: 37
Регион: Москва
|
Добавлено:
Ср 29 Январь 2014, 01:19
|
  |
Всем здравствуйте!
Не совсем ТИСЭ конечно, но вот, что мне довелось сделать. УГВ у нас тоже высокий достаточно. Пробурил в подвале около 70см и на утро в ней уже собралась вода.
В общем сделал я следующее. Выровнял площадку под местом фундамента, утрамбовал хорошенько, сверху слой песка (подсыпал, проливал, утрамбовывал)около 15см в итоге получилось. Пробурил 5 отверстий (4 по углам и 1 в центре) вставил в них асбестовые трубы ф200мм с выпуском вровень с песком, внутрь вбил арматуру А3 12мм 4шт на трубу с выпуском под верх плиты. На песчаную подушку положил 200мкм обычную пленку, поверх неё раскатал гидроизол с запасом на борта опалубки (швы проклеил битумной мастикой) Сделал сетку из арматуры с шагом примерно 13-15см в 2 слоя, растояние между слоями10 см и от гидроизоа и верхний слой по 6-7см(под бетон). Ну а затем собственно залил бетоном с щебеночкой, всё это тело провибротромбовал. Сверху после сушки 2 недели, накатал ещё слой гидроизола уложенного по битумной мастике. После всех этих процедур (пирожок получился по бетону около 20см) высота до пола была ещё около 600мм. Поднял это дело 2 рядами полнотелых цементых блоков, ещё слой гидроизола на мастике и уже потом стал укладывать выравнивающие первые ряды кирпича. Мне такой пирог показался менее затратным и возможно более надёжным, чем кубик армированного бетона. Быть может такой вариант и подойдёт?!
|
| Описание: |
|
| Размер файла: |
35.55 КБ |
| Просмотров: |
725 раз(а) |

|
|
|
  |
 |
Ivan20051

Зарегистрирован: Вс 10 Январь 2010, 18:25
Сообщения: 362
Регион: Псков
|
Добавлено:
Ср 29 Январь 2014, 04:40
|
  |
| Анатолий_Ковров писал(а): |
Лично я нигде не читал об установки печей на свайный фундамент. Старые дома стоят, как правило, на 6 заглубленных столбиках - своеобразный свайный фундамент. А вот печи на сплошном ставили.
Здесь много грамотных печников с огромном опытом. Если не прав - пусть поправят. |
Был опыт установки печи с кирпичной трубой на фундамент из винтовых свай, сваи обвязаны швеллером, сверхум лист металла .Два года прошло все стоит без подвижек, хотя я переживал, но клиент успокаивал мол фирма дает гарантию .
|
_________________ 89062208974
|
|
     |
 |
internet_pechnik
Зарегистрирован: Вт 9 Апрель 2013, 19:51
Сообщения: 1892
Регион: belarus
|
Добавлено:
Ср 29 Январь 2014, 07:59
|
  |
| Ivan20051 писал(а): |
| Анатолий_Ковров писал(а): |
Лично я нигде не читал об установки печей на свайный фундамент. Старые дома стоят, как правило, на 6 заглубленных столбиках - своеобразный свайный фундамент. А вот печи на сплошном ставили.
Здесь много грамотных печников с огромном опытом. Если не прав - пусть поправят. |
Был опыт установки печи с кирпичной трубой на фундамент из винтовых свай, сваи обвязаны швеллером, сверхум лист металла .Два года прошло все стоит без подвижек, хотя я переживал, но клиент успокаивал мол фирма дает гарантию . |
Я тоже так считаю.Если сваи-то должны делать спецы с своим оборудованием. А так----лучше забетонированной на глубину промерзания тумбы ничего нет
|
|
|
|
  |
 |
Анатолий_Ковров

Зарегистрирован: Сб 15 Декабрь 2012, 21:25
Сообщения: 84
Регион: Ковров
|
Добавлено:
Ср 29 Январь 2014, 17:00
|
  |
| internet_pechnik писал(а): |
| ...лучше забетонированной на глубину промерзания тумбы ничего нет |
Момент. Я говорил о мелкозаглубленной тумбе на песчаной подушке.
|
|
|
|
   |
 |
|
|