| Автор |
Сообщение
|
Кузнец111
Зарегистрирован: Чт 9 Июль 2015, 22:44
Сообщения: 110
Регион: Могилев -РБ
|
Добавлено:
Чт 9 Июль 2015, 23:18
|
  |
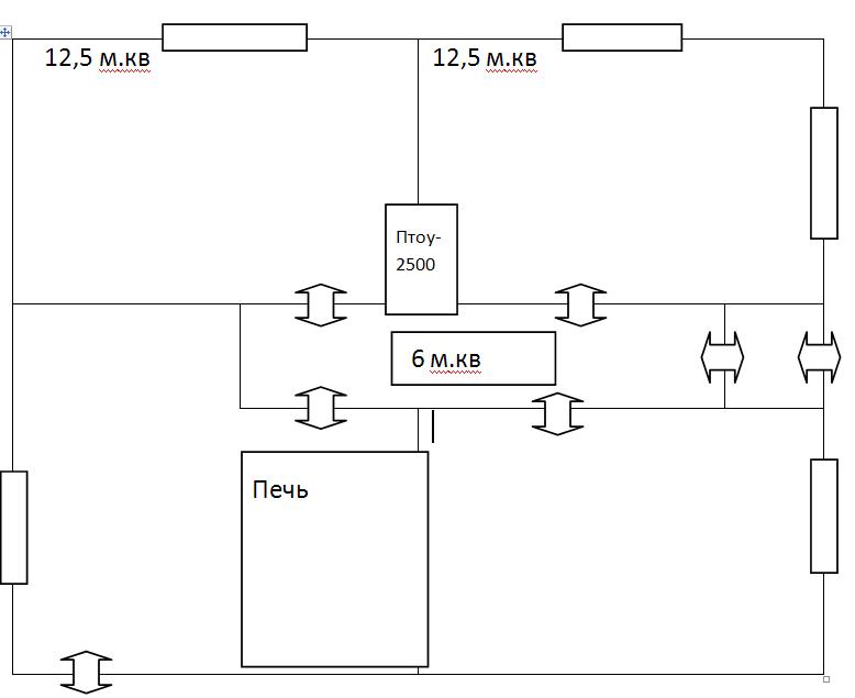
В доме с постоянным проживанием планирую установить ПТОУ 2500 общая площадь отапливаемых комнат в районе 31 м.кв (2 жилых приблизительно 25 метров и коридор 6 метров). 2 вопроса:
1) хватит ли этой печи для отапливания этих помещений?
2) старый щиток был с трубой над топочной дверцой. Можно ли сделать данную печь с таким разворотом? Размер старого щитка был 3 на 4 кирпича.
|
_________________ Юрий
| Описание: |
|
| Размер файла: |
30.46 КБ |
| Просмотров: |
777 раз(а) |

|
| Описание: |
|
| Размер файла: |
37.06 КБ |
| Просмотров: |
726 раз(а) |

|
|
|
  |
 |
internet_pechnik
Зарегистрирован: Вт 9 Апрель 2013, 19:51
Сообщения: 1892
Регион: belarus
|
Добавлено:
Пт 10 Июль 2015, 06:14
|
  |
| Кузнец111 писал(а): |
В доме с постоянным проживанием планирую установить ПТОУ 2500 общая площадь отапливаемых комнат в районе 31 м.кв (2 жилых приблизительно 25 метров и коридор 6 метров). 2 вопроса:
1) хватит ли этой печи для отапливания этих помещений?
2) старый щиток был с трубой над топочной дверцой. Можно ли сделать данную печь с таким разворотом? Размер старого щитка был 3 на 4 кирпича. |
1). еле-еле хватит, а сделанная из шамота нижняя часть будет перегреваться. Лучше таки сделать как было---прежняя печь длиной 4 кирпича. а лучше 4,5. Ширина будет 2,5 кирпича, зато топливник будет из красного (витебского конечно же) футерованный шамотом наребро. (Шамот ША-8 -в ОМА).
2)Печь можно сделать с любым пасположением трубы
|
|
|
|
  |
 |
Шура

Зарегистрирован: Чт 8 Январь 2009, 20:09
Сообщения: 4171
Регион: Москва - Тамбов
|
Добавлено:
Пт 10 Июль 2015, 07:30
|
  |
| Кузнец111 писал(а): |
1) хватит ли этой печи для отапливания этих помещений?
2) старый щиток был с трубой над топочной дверцой. Можно ли сделать данную печь с таким разворотом? Размер старого щитка был 3 на 4 кирпича. |
1) Лучше чуть увеличить(см вложение).
2) Что за разворот?
ЗЫ. конструкция устаревшая, лучше сделать в двухконтурном исполнении...
|
| Описание: |
|
| Размер файла: |
93.67 КБ |
| Просмотров: |
749 раз(а) |

|
|
|
   |
 |
Кузнец111
Зарегистрирован: Чт 9 Июль 2015, 22:44
Сообщения: 110
Регион: Могилев -РБ
|
Добавлено:
Пт 10 Июль 2015, 08:17
|
  |
| internet_pechnik писал(а): |
1). еле-еле хватит, а сделанная из шамота нижняя часть будет перегреваться. Лучше таки сделать как было---прежняя печь длиной 4 кирпича. а лучше 4,5. Ширина будет 2,5 кирпича, зато топливник будет из красного (витебского конечно же) футерованный шамотом наребро. (Шамот ША-8 -в ОМА).
2)Печь можно сделать с любым пасположением трубы  |
Доброго дня.
1 ) Перегрев-причина? 4,5 на 2,5 сомневаюсь -старый фундамент 100 на 80. ОП 2 ссылку на порядовку бросьте если можно. Витебский есть разница в цехах?(или все глазками и ручками. Первая печь )
2 ) вот вариант и бросил с таким расположением. он будет жить? или каким либо другим путем можно было трубу вывести?
|
_________________ Юрий
|
|
  |
 |
Кузнец111
Зарегистрирован: Чт 9 Июль 2015, 22:44
Сообщения: 110
Регион: Могилев -РБ
|
Добавлено:
Пт 10 Июль 2015, 08:32
|
  |
| Шура писал(а): |
1) Лучше чуть увеличить(см вложение).
2) Что за разворот?
ЗЫ. конструкция устаревшая, лучше сделать в двухконтурном исполнении... |
Приветствую.
1 ) Тянуть по длинне на кирпич или менее?
2) В оригинале хайло с тыла. В моем варианте (с целью вывести трубу на лицо) верх печи с 13 ряда полностью развернут и хайло стало на топочной дверцей.
|
_________________ Юрий
|
|
  |
 |
Кузнец111
Зарегистрирован: Чт 9 Июль 2015, 22:44
Сообщения: 110
Регион: Могилев -РБ
|
Добавлено:
Сб 11 Июль 2015, 23:06
|
  |
После устройства фундамента выяснились реальные размеры бывшей печи - 3 на 3,5 кирпича. С учетом предложенной и принятой к работе футеровки вообщем то ПТОУ на эти размеры и выходит. Пока так и не ясно чем чреват разворот верхней части печи? Будут ли здесь подводные камни? Может великодушное сообщество печников поможет развеять сомнения в этих вопросах? Заранее благодарствую
|
_________________ Юрий
|
|
  |
 |
internet_pechnik
Зарегистрирован: Вт 9 Апрель 2013, 19:51
Сообщения: 1892
Регион: belarus
|
Добавлено:
Вс 12 Июль 2015, 13:05
|
  |
печь слишком проста и мала для подводных камней
|
|
|
|
  |
 |
Кузнец111
Зарегистрирован: Чт 9 Июль 2015, 22:44
Сообщения: 110
Регион: Могилев -РБ
|
Добавлено:
Пн 13 Июль 2015, 20:44
|
  |
|
  |
 |
internet_pechnik
Зарегистрирован: Вт 9 Апрель 2013, 19:51
Сообщения: 1892
Регион: belarus
|
Добавлено:
Вт 14 Июль 2015, 06:04
|
  |
конечно лучше чем наплашку. Особенно если зазор сделать 1 см. Вот тока топка сузится немного бо 6,5+6,5+1=14см
|
|
|
|
  |
 |
Кузнец111
Зарегистрирован: Чт 9 Июль 2015, 22:44
Сообщения: 110
Регион: Могилев -РБ
|
Добавлено:
Вт 14 Июль 2015, 10:36
|
  |
| internet_pechnik писал(а): |
| конечно лучше чем наплашку. Особенно если зазор сделать 1 см. Вот тока топка сузится немного бо 6,5+6,5+1=14см |
Доброго утра, internet_pechnik. Не понятно откуда 14 см?
|
_________________ Юрий
| Описание: |
|
| Размер файла: |
34.42 КБ |
| Просмотров: |
746 раз(а) |

|
|
|
  |
 |
Шура

Зарегистрирован: Чт 8 Январь 2009, 20:09
Сообщения: 4171
Регион: Москва - Тамбов
|
Добавлено:
Вт 14 Июль 2015, 11:53
|
  |
| Кузнец111 писал(а): |
1 ) Тянуть по длинне на кирпич или менее?
2) В оригинале хайло с тыла. В моем варианте (с целью вывести трубу на лицо) верх печи с 13 ряда полностью развернут и хайло стало на топочной дверцей. |
1. на пол-кирпича.
2. тогда лучше сделать так(см вложение), но в двух-контурном исполнении, с облицовкой на ребро.
|
| Описание: |
|
| Размер файла: |
45.92 КБ |
| Просмотров: |
742 раз(а) |

|
|
|
   |
 |
Кузнец111
Зарегистрирован: Чт 9 Июль 2015, 22:44
Сообщения: 110
Регион: Могилев -РБ
|
Добавлено:
Вт 14 Июль 2015, 20:23
|
  |
| Шура писал(а): |
2. тогда лучше сделать так(см вложение), но в двух-контурном исполнении, с облицовкой на ребро. |
Доброго вечера, Шура. Что получим по характеристикам в таком варианте исполнения? И может где есть данной печи? По внешнему виду похоже на 2х колпаковый вариант. Топка футеровка шамотом на ребро я так понимаю + облицовка обыкновенным? Будет ли прогреваться хотя бы середина или сразу все вверх до первой перекрыши? Но вариант интересный
|
_________________ Юрий
|
|
  |
 |
Шура

Зарегистрирован: Чт 8 Январь 2009, 20:09
Сообщения: 4171
Регион: Москва - Тамбов
|
Добавлено:
Вт 14 Июль 2015, 20:37
|
  |
| Кузнец111 писал(а): |
| ... По внешнему виду похоже на 2х колпаковый вариант. |
На самом деле, это доработанная ПТОУ, которая не является чисто колпаковой, у неё колпак только в верхнем ярусе.
| Кузнец111 писал(а): |
Топка футеровка шамтом на ребро я так понимаю + облицовка обыкновенным? |
Я говорил о двух-контурном конструктиве, с шамотным ядром(на ребро). Облицовка может быть хоть на ребро, хоть на плашку и вообще, из любого подходящего материала(камень, тротуарная плитка, талькомагнезит и т.п.).
В Вашем случае, я рекомендую облицовку красным кирпичём на ребро, типа как здесь: https://www.forumhouse.ru/useralbums/6958/view
|
|
|
|
   |
 |
Кузнец111
Зарегистрирован: Чт 9 Июль 2015, 22:44
Сообщения: 110
Регион: Могилев -РБ
|
Добавлено:
Вт 14 Июль 2015, 21:08
|
  |
| Шура писал(а): |
Я говорил о двух-контурном конструктиве, с шамотным ядром(на ребро). Облицовка может быть хоть на ребро, хоть на плашку и вообще, из любого подходящего материала(камень, тротуарная плитка, талькомагнезит и т.п.).
В Вашем случае, я рекомендую облицовку на ребро, типа как здесь: https://www.forumhouse.ru/useralbums/6958/view |
С двух-контуром благодаря ссылке разобрался, спасибо.
По вопросу доработанной ПТОУ порядовки случайно нет ни где?
|
_________________ Юрий
|
|
  |
 |
Шура

Зарегистрирован: Чт 8 Январь 2009, 20:09
Сообщения: 4171
Регион: Москва - Тамбов
|
Добавлено:
Вт 14 Июль 2015, 23:04
|
  |
| Кузнец111 писал(а): |
...По вопросу доработанной ПТОУ порядовки случайно нет ни где?  |
У меня есть только схема...
|
| Описание: |
|
| Размер файла: |
18.49 КБ |
| Просмотров: |
783 раз(а) |

|
|
|
   |
 |
Кузнец111
Зарегистрирован: Чт 9 Июль 2015, 22:44
Сообщения: 110
Регион: Могилев -РБ
|
Добавлено:
Вт 14 Июль 2015, 23:19
|
  |
internet_pechnik обратил внимание на некоторых порядовках печей во время футеровки кирпич ложком распущен на 2. Раз это применяется в практике то , впринципе топка сузится не должна, если применить такой кирпич. А по характеристика вместо ША 8 можно и ША 5 применить
Кирпич огнеупорный ША-5, ША-8
Кирпич огнеупорный ША общего назначения по ГОСТ 390-96
Кирпич ША 5
Размеры 230*114*65
Вес/кг. - 3,2
Шт./на поддоне 330
Кирпич ША 8
Размеры 230*124*65
Вес/кг. - 3,7
Шт./на поддоне 297
|
_________________ Юрий
|
|
  |
 |
Slaws
Зарегистрирован: Сб 5 Февраль 2011, 07:19
Сообщения: 19
Регион: Малоярославец
|
Добавлено:
Ср 15 Июль 2015, 06:13
|
  |
У ША-8 всегда длина была 250.
|
|
|
|
   |
 |
Кузнец111
Зарегистрирован: Чт 9 Июль 2015, 22:44
Сообщения: 110
Регион: Могилев -РБ
|
Добавлено:
Сб 18 Июль 2015, 11:44
|
  |
Доброго дня.
Slaws Вы правы , здесь вероятно была опечатка на сайте давшем эту инфу. Тем более сейчас перечитав свою же инфу понял что нет смыла бать ША-5, так как кирпич буду ставить на ложок а его размер в ША-5 и -8 одинаков. С учетом зазора между кирпичами размер топки таким образом уменьшиться максимум на 4-5 см, что впринципе, я так думаю, не критично.
Шура благодарю за схему, но вынужден буду отказаться от этой мысли, не хватит квалификации начинать 1 печь с такого проекта .
В итоге остановился на варианте ПТОУ 2500 с футеровкой топки. Уехал складывать печь на сухую.
Всем отозвавшимся спасибо за помощь!!! Фото отчет , если интересен выложу здесь.
|
_________________ Юрий
|
|
  |
 |
Шура

Зарегистрирован: Чт 8 Январь 2009, 20:09
Сообщения: 4171
Регион: Москва - Тамбов
|
Добавлено:
Сб 18 Июль 2015, 15:01
|
  |
| Кузнец111 писал(а): |
... благодарю за схему, но вынужден буду отказаться от этой мысли, не хватит квалификации начинать 1 печь с такого проекта . |
Напрасно вы боитесь, двух-контурный конструктив гораздо легче для начинающих...
| Кузнец111 писал(а): |
| Фото отчет , если интересен выложу здесь. |
Интересно...
|
|
|
|
   |
 |
Кузнец111
Зарегистрирован: Чт 9 Июль 2015, 22:44
Сообщения: 110
Регион: Могилев -РБ
|
Добавлено:
Сб 18 Июль 2015, 22:37
|
  |
| Шура писал(а): |
| Кузнец111 писал(а): |
| Фото отчет , если интересен выложу здесь. |
Интересно... |
Доброго вечера! Ну раз интересно, поехали...
Фундамент...
2 слоя рубероида, 2 ряда кирпича, выведены под уровень заливкой цементного раствора. Пол не ровный в не которых местах фундамент выше уровня пола на 3-4 см.
|
_________________ Юрий
| Описание: |
|
| Размер файла: |
407.15 КБ |
| Просмотров: |
719 раз(а) |

|
| Описание: |
|
| Размер файла: |
500.87 КБ |
| Просмотров: |
666 раз(а) |

|
| Описание: |
|
| Размер файла: |
397.9 КБ |
| Просмотров: |
691 раз(а) |

|
|
|
  |
 |
|
|