 |
|
 |
| Автор |
Сообщение
|
Jazir
Зарегистрирован: Вт 12 Октябрь 2010, 11:03
Сообщения: 33
Регион: Питер
|
Добавлено:
Вт 12 Октябрь 2010, 11:18
|
  |
Приветствую профессионалов и прошу совета!
Возникла идея выполнить отопление дом с участием "теплоаккумулятора".
Идея, видимо, не новая, но покопавшись в проектах Кузнецова обнаружил там интересный подход- котел отопительный рекомендовано изолировать минеральным утеплителем для сохранения тепла и передачи его в регистр отопления (расположенный внутри котла) в ночное время для поддержания температуры в системе жидкостной отопления в течении ночи. Следовательно, нет принципиальной разницы, где в доме расположен "теплоаккумулятор".
Моя идея, собственно, состоит в том, чтобы разделить топку и "теплоаккумулятор". В качестве топки использовать небольшую чугунную печь (типа Jøtul F 602) а кирпичные "обороты" с регистром внутри расположить под полом помещения (в подвале), и для экономии места и для чего-нибудь еще (пока не придумал )
Подскажите, насколько эта идея работоспособна?
Заранее благодарен за ответ.
|
|
|
|
     |
 |
Jazir
Зарегистрирован: Вт 12 Октябрь 2010, 11:03
Сообщения: 33
Регион: Питер
|
Добавлено:
Ср 13 Октябрь 2010, 07:36
|
  |
Интересное дело - 50 просмотров и ни одного комента! Неужели настолько бредовая идея ?!?
|
|
|
|
     |
 |
Евгений Колчин

Зарегистрирован: Чт 3 Октябрь 2002, 06:26
Сообщения: 10146
Регион: Москва
|
Добавлено:
Ср 13 Октябрь 2010, 10:18
|
  |
а вы начните рисовать не в голове, а на бумаге
потом прикиньте сопротивление системы и необходимые мероприятия по ее работоспособности
вот тогда наверно что то и проясниться
да и народ подтянется
|
_________________ ************************************
|
|
      |
 |
Jazir
Зарегистрирован: Вт 12 Октябрь 2010, 11:03
Сообщения: 33
Регион: Питер
|
Добавлено:
Ср 13 Октябрь 2010, 15:10
|
  |
Тогда зачем мне задавать тут вопросы, если Вы предлагаете мне самому искать ответы?!? А в печном еле - лох! Я прошу совета а не выставляю на Ваш суд свои домыслы!
|
|
|
|
     |
 |
Павел Власкин
Зарегистрирован: Пт 15 Май 2009, 18:06
Сообщения: 65
Регион: Томск
|
Добавлено:
Чт 14 Октябрь 2010, 12:06
|
  |
"Кабы схемку аль чертеж - Мы б затеяли вертеж. Ну, а так - ищи, сколь хочешь, Черта лысого найдешь!"
Нет здесь телепатов, чтоб обсуждать достоинства и недостатки придуманой вами системы.
Хотите конструктива - начните с чертежа того о чем говорите, хотите готовый рабочий проект - закажите его.
|
|
|
|
   |
 |
Jazir
Зарегистрирован: Вт 12 Октябрь 2010, 11:03
Сообщения: 33
Регион: Питер
|
Добавлено:
Чт 14 Октябрь 2010, 12:14
|
  |
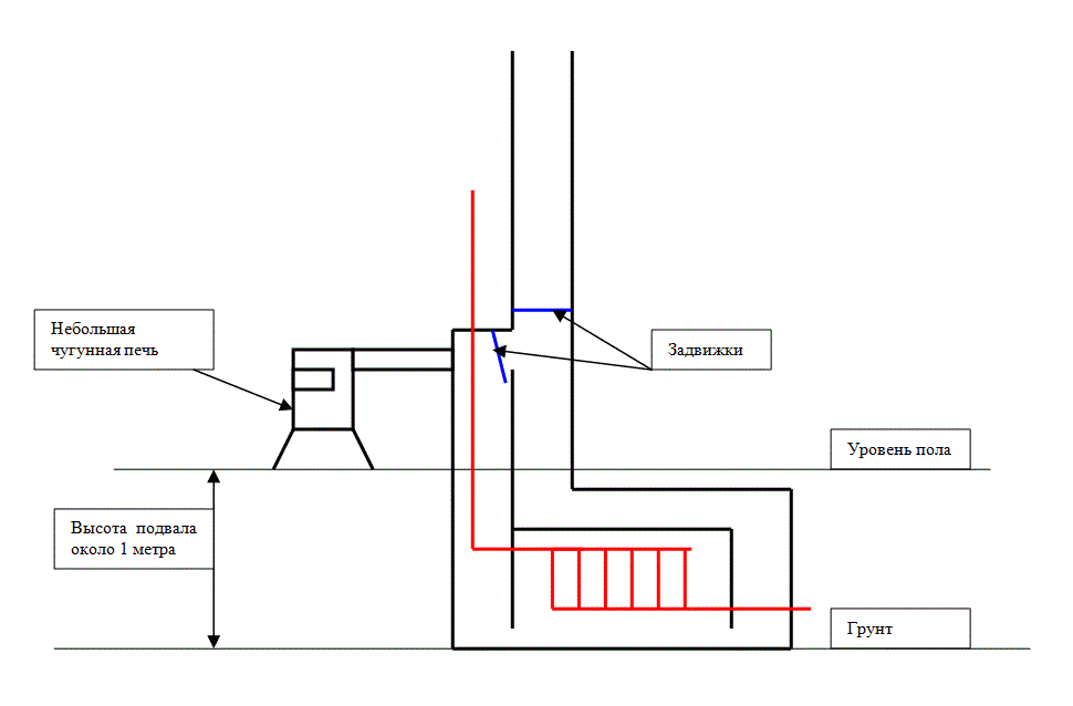
ОК, убедили вот ПРИНЦИПИАЛЬНАЯ схема.
Как по Вашему, будет работать?
|
| Описание: |
|
| Размер файла: |
15.84 КБ |
| Просмотров: |
1408 раз(а) |

|
|
|
     |
 |
vova230
Зарегистрирован: Ср 24 Март 2010, 00:20
Сообщения: 811
Регион: Беларусь
|
Добавлено:
Чт 14 Октябрь 2010, 18:19
|
  |
Если тяги трубы хватит, то работать будет, но высокой эффективности ждать не приходится.
|
|
|
|
   |
 |
Jazir
Зарегистрирован: Вт 12 Октябрь 2010, 11:03
Сообщения: 33
Регион: Питер
|
Добавлено:
Пт 15 Октябрь 2010, 11:47
|
  |
| vova230 писал(а): |
| Если тяги трубы хватит, то работать будет, но высокой эффективности ждать не приходится. |
А можно чуть подробнее, почему возникнут вопросы с эффективностью? и как определить достаточность тяги (что нужно сделать?)
|
|
|
|
     |
 |
Uzer-zbk
Зарегистрирован: Вс 26 Сентябрь 2010, 03:24
Сообщения: 20
Регион: Забайкалье
|
Добавлено:
Пт 15 Октябрь 2010, 16:09
|
  |
А что в подвале места нет для печи? Или туда дрова таскать неудобно? Если печь установить в подвале то отпадет потребность дергать задвижки. Ну и сырости в подвале не станет - печь будет утягивать все при топке.
|
|
|
|
  |
 |
Jazir
Зарегистрирован: Вт 12 Октябрь 2010, 11:03
Сообщения: 33
Регион: Питер
|
Добавлено:
Пт 15 Октябрь 2010, 17:20
|
  |
Высота подвала около метра. А в комнате хочется иметь красивенькую чугунную печку. Идея в том, что чугунная печка быстро разогреет помещение, а теплоаккумулятор (в подвале) обеспечит теплую ночь.
|
|
|
|
     |
 |
Uzer-zbk
Зарегистрирован: Вс 26 Сентябрь 2010, 03:24
Сообщения: 20
Регион: Забайкалье
|
Добавлено:
Пт 15 Октябрь 2010, 17:44
|
  |
Получиться почти прямоточка с низким КПД. Короче этот регистр быстро сажей порастет. Ну и трубу длинную надо метров 5-6. ИМХО: Смущает эта конструкция. Я бы лучше подвал углубил, расширил и печь поставл нормальную , которая тепло на весь дом давала. Можно даже двухуровневую, чтоб второй колпак в комнату выходил и там уже делать теплоаккумулятор, а в нижней собственно сам котел. Но это если есть время, есть конкретный план и есть деньги на его реализацию, а если хочеться сделать подешевле и побыстрее то получаеться фигня и потом обидно что сам себя обманул.
|
|
|
|
  |
 |
Jazir
Зарегистрирован: Вт 12 Октябрь 2010, 11:03
Сообщения: 33
Регион: Питер
|
Добавлено:
Пт 15 Октябрь 2010, 19:19
|
  |
Обманывать себя не хочется, ровно как и не хочется городить кирпичную дуру, которая займет пол комнаты и будет разгоняться целый день! Надо приехать в пятницу вечером, затопит чугунную "буржуйку" и получит пригодное для житья помещение сразу. иначе придется топить пол ночи..... а все, что успеет собраться в аккумуляторе - отправится в систему отопления....
|
|
|
|
     |
 |
Евгений Колчин

Зарегистрирован: Чт 3 Октябрь 2002, 06:26
Сообщения: 10146
Регион: Москва
|
Добавлено:
Пт 15 Октябрь 2010, 19:27
|
  |
До того, как что то "соберется" расплавится "буржуйка".
| Цитата: |
| Идея в том, что чугунная печка быстро разогреет помещение, а теплоаккумулятор (в подвале) обеспечит теплую ночь |
Современная чугунка типа Jotul, имея функцию длительного горения, обогреет ваше временное жилье в течение 8 часов.
|
_________________ ************************************
|
|
      |
 |
Jazir
Зарегистрирован: Вт 12 Октябрь 2010, 11:03
Сообщения: 33
Регион: Питер
|
Добавлено:
Пт 15 Октябрь 2010, 19:50
|
  |
|
     |
 |
Викторыч

Зарегистрирован: Пн 27 Декабрь 2010, 22:14
Сообщения: 14
Регион: Москва
|
Добавлено:
Сб 1 Январь 2011, 16:33
|
  |
Для комфортной ночи с отоплением нужен термоаккумулятор около 1 тонны воды, разогретой за время топки печи или котла. Не надо себя обманывать в создании вечного двигателя. Его нет пока и энергия не возьмется ни от куда.
|
|
|
|
  |
 |
Jazir
Зарегистрирован: Вт 12 Октябрь 2010, 11:03
Сообщения: 33
Регион: Питер
|
Добавлено:
Сб 1 Январь 2011, 22:50
|
  |
Спасибо за напоминание про вечный двигатель, но я не собираюсь аккумулировать теплоту водой (поскольку планирую систему с незамерзающим теплоносителем) а кирпичЁм!! и почему тонна, кто считал тепловой баланс??? Почему обязательно теплоаккумулятор должен быть жидкостным??? Я планирую разогреть некоторую массу кирпича и заизолировать её от теплообмена с окружающей средой, тем самым заставит её отдавать теплоту в регистр внутри колпака.
|
|
|
|
     |
 |
stas

Зарегистрирован: Вт 29 Январь 2008, 22:53
Сообщения: 916
Регион: Москва
|
Добавлено:
Вс 2 Январь 2011, 00:36
|
  |
Jazir, прежде чем обсуждать выбор отопительного агрегата, Вам надо показать дом (помещение), которое Вы собираетесь отапливать, сказать, как Вы собираетесь пользоваться этим домом. И тогда уже Вам подскажут, чем и как лучше отопить ваш дом.
И еще: Jazir, Вы очень нехорошо обозвали кирпичную теплоемкую печь. Это очень зря, Во всех смыслах, даже для человека постороннего в печном деле.
|
|
|
|
    |
 |
Александр Бацулин

Зарегистрирован: Пт 17 Февраль 2006, 19:20
Сообщения: 928
Регион: Москва
|
Добавлено:
Вс 2 Январь 2011, 10:15
|
  |
| Jazir писал(а): |
| Я планирую разогреть некоторую массу кирпича и заизолировать её от теплообмена с окружающей средой, тем самым заставит её отдавать теплоту в регистр внутри колпака. |
Этот теплообмен между разогретым кирпичем и водяным теплобменником будет очень медленным после того как печь перестанет гореть, тк конвекция из принудительной превратиться в естественную, что повлечет за собой неравномерность теплоотдачи по часам суток.
|
_________________ Здесь могла бы быть ваша реклама.
|
|
   |
 |
nick_e

Зарегистрирован: Пт 23 Октябрь 2009, 15:40
Сообщения: 373
Регион: Бурятия
|
Добавлено:
Пн 3 Январь 2011, 11:12
|
  |
| Jazir писал(а): |
| Высота подвала около метра... |
Это что за подвал такой?
|
_________________ Из страны канальных печей....
|
|
  |
 |
Андрей_Алексеевич

Зарегистрирован: Пн 13 Декабрь 2010, 19:17
Сообщения: 5969
Регион: малая родина Павлова, Скобелева, Циолковского, Уткиных и др.
|
Добавлено:
Пн 3 Январь 2011, 17:58
|
  |
| Jazir писал(а): |
| Обманывать себя не хочется, ровно как и не хочется городить кирпичную дуру, которая займет пол комнаты и будет разгоняться целый день! Надо приехать в пятницу вечером, затопит чугунную "буржуйку" и получит пригодное для житья помещение сразу. иначе придется топить пол ночи..... а все, что успеет собраться в аккумуляторе - отправится в систему отопления.... |
Современные теплоемкие печи занимают намного меньше, чем «…пол комнаты». Вы пользуетесь впечатлениями от РП классической компоновки - преимущественно верхнего прогрева. В калориферной компоновке камино-печь, либо печь с камином прогреют помещение уже через 1,0-1,5 часа, в зависимости от отапливаемого объема. И тепло будут держать до утра.
А, извиняюсь, молочко за удовольствие греться у металлической буржуйки современного образца для своих домашних Вы сами будете покупать? А? Или в профком… Я, конечно же, многого не понимаю, но сварщики, обрубщики облоя в литейке, кузнецы - ОНИ ВСЕ льготы (на пенсию «по горячей…», молоко каждый рабочий день и др.) имели и имеют именно за «общение» с перегретым металлом! ИЛИ Вы себя уже убедили, что в Вашем случае это правило действовать не будет…
Ну, тогда ладно, чего уж там… дышите глубже…
И всего… Вам и Вашим… а, главное, всё же – мудрости! От всей души!!!
Подумайте…
|
_________________ Печник - милостью и промыслом Божиим.
Печное отопление частного дома и т.п., авторское сопровождение проектов, наставничество в т.ч. дистанционное, партнёрство в кладке печей.
89106130763 МТС
andrejka61@mail.ru
andrej.kuzmischev@yandex.ru
|
|
   |
 |
|
|
|
Следующая тема
Предыдущая тема
Вы не можете начинать темы Вы не можете отвечать на сообщения Вы не можете редактировать свои сообщения Вы не можете удалять свои сообщения Вы не можете голосовать в опросах Вы не можете добавлять приложения в этом форуме Вы можете скачивать файлы в этом форуме
|
|